Other Parts Discussed in Thread: DRV8711
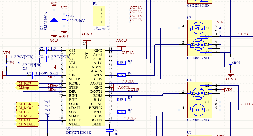
drv8711芯片失效,原理图如下:
参数
Toff = 39;
TBlank = 75;
TDecay = 15;
mDriveReg.mBits.mOCPTh = 3;
mDriveReg.mBits.mOCPDeg = 3;
mDriveReg.mBits.mTDrivEn = 3;
mDriveReg.mBits.mTDrivEp = 3;
mDriveReg.mBits.mIDrivEn = 3;
mDriveReg.mBits.mIDrivEp = 3;
mContrlReg.mBits.mEnable = 1;
mContrlReg.mBits.mDirBy = 0;
mContrlReg.mBits.mDirBy = 0;
mContrlReg.mBits.mRStep = 0;
mContrlReg.mBits.mIsGain = 0;//
mContrlReg.mBits.mDTime = 0;//
产品几千片,其中有3%的芯片失效。24V供电,失效后不正常的信号如下
| 输入电压 | Vcp | V5 | Vint | CP1 | CP2 | ||
| 正常 | 24V | 33V | 5V | 1.8V | 0.3V | 24V | |
| 不正常 | 24V | 24V | 5V | 0.3V | 0V | 24V | |
| 24V | 24V | 5V | 1.8V | 12V | 24V | 芯片发烫 | |
| 24V | 24V | 5V | 0.3V | 0V | 24V | 重点!!! | |
上表值,是左右值。其中CP1=0V,也像悬空测的值。
请帮忙分析下,引起芯片失效的具体原因。
