模拟开关TS5A3157和SN74LVCC3245芯片一起使用的功耗问题

Other Parts Discussed in Thread: TS5A3157

我使用TS5A3157开关芯片,进行两种选择的切换:1、信号与SN74LVCC3245直连 2、信号通过运放以后,与SN74LVCC3245连接

TS5A3157开关芯片的 控制引脚是,STM32系列单片机,引脚高电平3.3V

现在发现单片机不给TS5A3157引脚高高电平或者低电平时,功耗迅速上升。当给定低电平或者高电平时则功耗下降30mA左右(12V 供电)

能帮我分析一下吗

  • 1. 文中”功耗下降30mA左右(12V 供电)”,没有在电路图上发现12V电源。

    2. “不给TS5A3157引脚高高电平或者低电平时”,这个不给电平,指引脚悬空?有没有用万用表实测过悬空时候的IN电压?

    3. 手册第3页,IN引脚VIH的范围(0.7*V+,5.5),5V供电下VIN最小应该是3.5V,用3.3V做“高电平”合适?高低温下没有风险?

  • 1、电路中的5V供电,是通过12V转的。用的是LP2951-50D的片子转的,这个片子输出5V能到100mA,是个LDO的片子

    2、测了,。。并不是悬空状态,,是低电平的。。 这说明肯定还有别的功耗问题。。

    3、3.3V确实不是很合适。。。

    THX!

  • 我拆了几个元器件,现在发现功耗的原因了

    不是模拟开关的问题,是SN74LVCC3245芯片的问题,我拆掉该芯片后,12V降低了15mA左右。

    该芯片的功耗应该也没这么大啊?

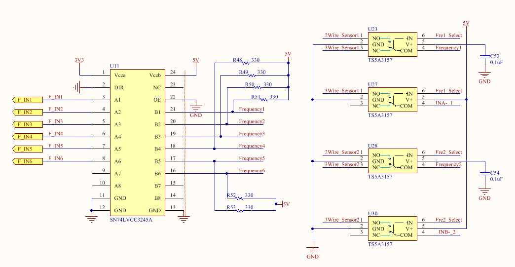
  • 把所有B路的上拉电阻都去掉,这个是没必要的。从A通道的反相器输出端看进去,应该是个低阻,此时你在B路输入挂个500欧姆到5V,很有可能电流会通过500欧姆->反相器输出泄露到地。

  • 您好,感谢您抽出时间回答我的问题。

    1、那个B路的上拉电阻,是因为外部使用的风速传感器,需要上拉,信号才会正确,,您说的反相器指的是 SN74LVCC3245这颗芯片吗。

    2、经过我进一步的测试发现,只要模拟开关关闭(输入接低电平,即模拟开关闭合),整机功耗为12V 下60mA左右,正常范围,如果IO控制端口接高电平,使模拟开关切换到NO侧,则整机功耗为12V下140mA,并且随时间推移,会缓慢降低到70mA左右达到稳定。。。这是个什么原理啊。郁闷。。调不好板子。。

  • 你参考一下下面这张图,我在这张图里画出了泄露路径,所谓的“反相器”其实指的是A路那个三角形,现在看来那个应该是个缓冲器而不是反相。

    可以试试把330欧姆的上拉电阻加大,看看泄露电流会不会降低。

  • 您好,最近使用情况TS5A3157作为超声波探头切换,具体使用2个TS5A3157连接2个超声波探头,实现正向发送接收和反向发送接收的功能,现在发现无论正想发送还是反向发送,接收端都会收到发送端的串扰影响(发送采用300KHZ,3.3V方波激励激励),如果把TS5A3157拆下来,直接短路1脚和4脚,就没有串扰影响,请问这个怎么解决一下?