TUSB2036调试异常状态求助

Other Parts Discussed in Thread: TUSB2036, TPS2044B, TPS2044

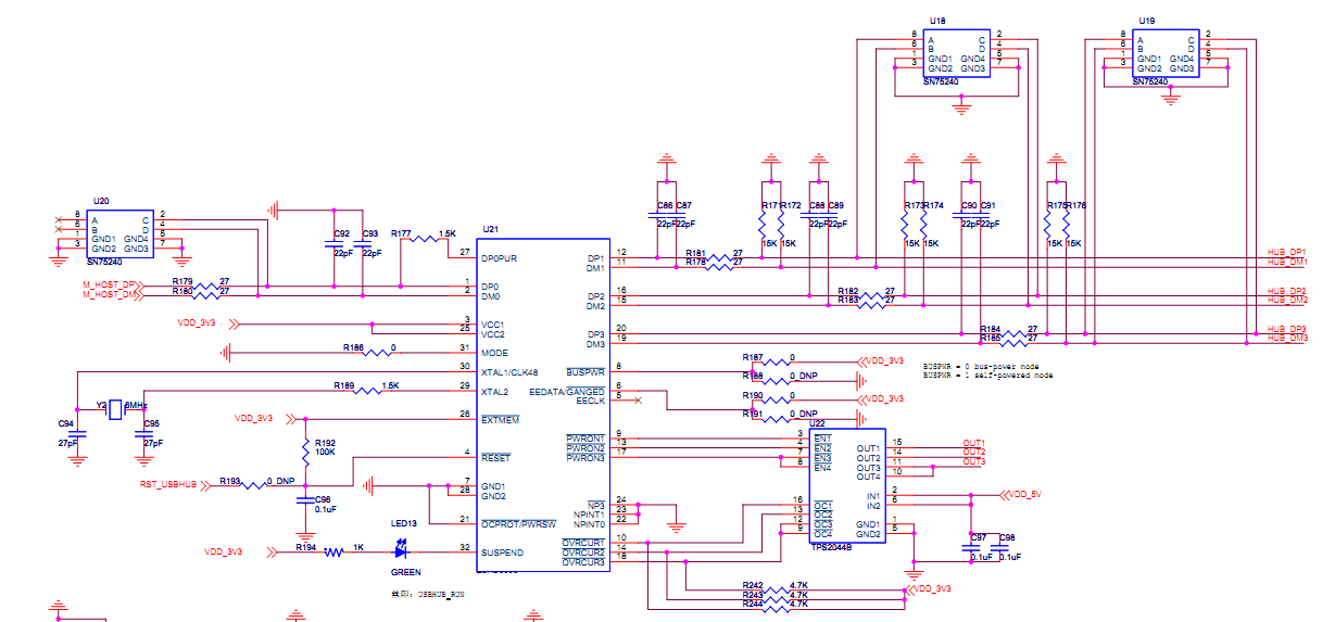
如上原理图,选择了USB HUB为TI的TUSB2036,
目前调试遇到的问题是:
TUSB2036的 PWRON1 , PWRON2 , PWRON3一直是高电平(3.3V),这样就会造成TPS2044B的EN1-EN4引脚无法开启,OUT1-OUT3引脚电平输出大概为2.1V左右。
其它情况:
测试TPS2044的OC1-OC4都为高电平(3.3V)。
测试SUSPEND为低电平,指示USBHUB工作的LED13亮着。
请问:
1.需要再做什么操作才能拉低PWRON打开TPS2044B,使得OUT引脚有5V输出。
2.这个芯片是否还需要相应的软件驱动,目前的应用环境是将该HUB挂到1个ARM芯片的USB HOST上,但是查看手册并未提及任何寄存器。
谢谢!
  • 我看你将休眠引脚SUSPEND拉高了,SUSPEND是输出引脚,高低电平决定了TUSB2036是处于休眠状态还是正常工作状态,上电工作后你检查下此引脚的输出情况,另外,过流保护引脚OVRCUR建议上拉15Kohm到3.3V,你采用的上拉电阻是4.7kohm。

  • 谢谢回复,针对你提到的。

    1.SUSPEND引脚不是拉高,是接了一个LED指示TUSB2036的工作状态的,上电工作后是低电平。

    2.OVRCUR引脚接到了TPS2044B的OC引脚上,该OC引脚是OD模式,因此上拉是针对OD门的,15K和4.7K应该没有什么区别。

    请问:

    1.TUSB2036如果正常工作,PWRON,OVRCUR和SUSPEN应该是什么状态?

    2.该芯片是否需要相关的软件驱动?

    3.为什么在OVRCUR是高电平,SUSPEND是低电平这样的状态下,PWRON却一直是高电平呢?

  • 1. 正常工作时,SUSPEND为low, OVRCUR过流保护低有效,TUSB2036正常工作时,为高,PWRON为power on/off

    的控制引脚,也是低有效,正常工作时也应该是低。

    2. 不需要相关的软件驱动。

    3. ovrcur为高,suspend为低,PWRON为高是不正常的,建议你将Vcc,reset,OVRCUR,PWRON以及SUSPEND的时序量一下,看等power完全上电,reset由低变高之后,PWRON是不是一直还是高的状态。

  • 谢谢你的回复。

    如果不需要驱动的话,那么就应该还是硬件的问题。

    根据你提示的第三条,我都重新测试了一遍,发现上电和复位都是正常的,因为目前方案中采用的是一个RC复位电路,所以3.3V上电完成后reset是有由低到高的变化的,当reset拉高后测的PWRON一直是高电平。

    请问:

    1.这个地方的RC有没有一个推荐值,目前方案中采用的是100K和0.1uF,是否可能因为复位的低电平时间不符合要求造成复位没有正常完成?

    2.目前不正常状态下,suspend也指示是normal工作模式,即电平拉低。如果没有复位正常,是否suspend的时序上会有表现?或者怎么判断其是否正常复位完成进入正常工作状态了?

  • 我也遇到了同样的问题,不知你是否解决,如已解决求助下解决方法,谢谢

  • TUSB2036手册推荐复位时间100us-1ms,可以修改RC,时间常数落在范围试试。

  • 还有芯片焊接的时候要十分注意,温度过高或时间过长就会使芯片出现异常。表现为时好时坏,不可控。

  • 解决了吗?我也遇到类似问题

  • 已解决

    注意两个问题:

    1. 复位时间

    2. 焊接时间,能用机焊最好

  • 您用的阻容复位是100K  0.1uf? /reset 从低到高时间是多大合适?

    焊接这个我是热风枪吹的。