请给我一份CD4046的音频调制解调的原理图,谢谢
很抱歉没有调制解调的原理图,给您提供一份CD4046的应用手册,希望对您有所帮助:
www.ti.com/.../scha002a.pdf
但为什么我的就是不能解调呢,您可否给我一个方便的联系方试给我?
我的也不能解调
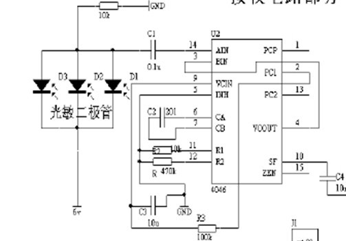
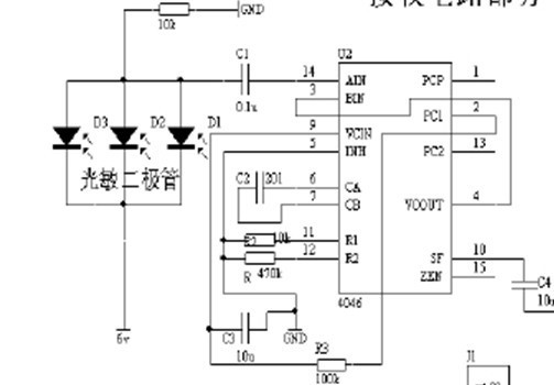
我在做CD4046的调制后红外发射,再红外接收之后解调出信号。
发射部分是可以正常工作的,为什么接收部分总是出不来结果,电路图如下,能帮我看看可能是什么原因么?万谢!
我也是解调部分有问题,我输入的是正弦波,解调出来的频率是对的,但是波形失真特别特别严重,跟杂波一样,求解释,是芯片的问题吗?
解调的话输入应该是方波吧!
还有你的低通滤波参数选的好像也是不对,低通截止频率需要远远大于载波的最大频率。