Other Parts Discussed in Thread: TRF371125
TRF371125的最终输出增益是多少?只有24db吗?Gmax写的是40db以上,但是实际测量确实只有20多db,请问是哪个地方没设置正确吗?
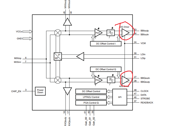
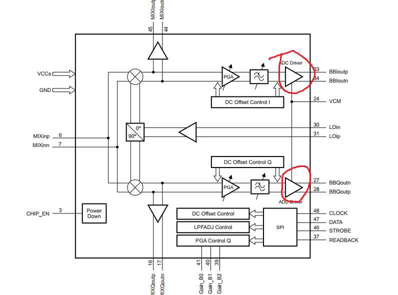
您好,现在我的TRF371125已经可以看到回读的信息了,而且混频后的频率也是对的,但是我发现混频出来的信号幅度有点小。我的实验现象是这样的:LO经过balance以后的LOin和LOip信号幅度为0dbm,频率为2449M,MIXin经过balance以后MIXinp和MIXinn的信号幅度为-38dbm,频率为2450M,我在BBloutp、BBloutn、BBQoutp、BBQoutn引脚未加程序时测量到的信号幅度为-29dbm,频率为1M,当加载程序后(程序中的增益设置为24),四个输出引脚测量到信号的幅度为-20dbm,频率为1M。大概的增益为-20dbm-(-38dbm)=18dbm,出去可能测量上的误差,姑且认为增益为24dbm,那么问题来了:ADC Driver貌似没起作用,如上图:
请问我有地方需要设置吗?那三个快速增益引脚应该只有衰减的功能。我的Vcm引脚接了两个电阻,电压为1.5V