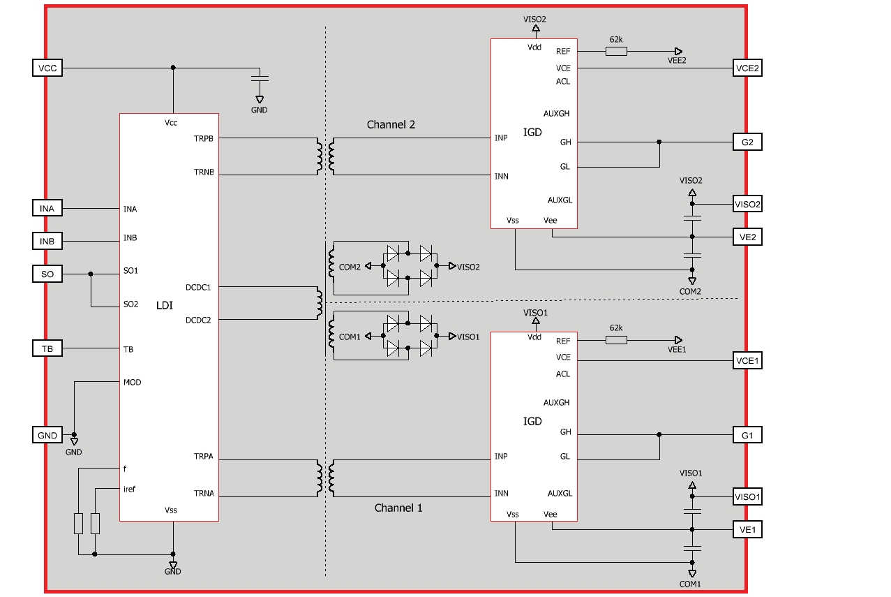
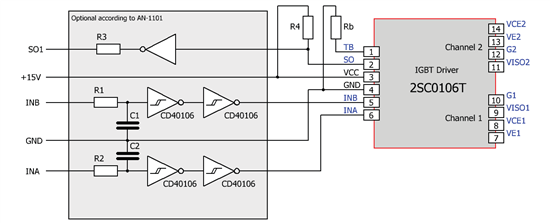
IGBT驱动板选用concept的2SC106T,如图,这款驱动核PWM 信号和模拟地是共地的。
DSP输出的PWM是数字3.3V,能不能通过数字隔离器转成参考模拟地的,可以的话推荐一款芯片,谢谢。
开关频率为10K,高电平有效。
附上concept的datasheet
亲;没问题;可以做PWM10kHz转递。
亲,没问题,可以用于传递PWM信号。只是需要注意逻辑电平兼容。
电力有源滤波器本身就是一台逆变器,和电机驱动桥没有本质区别。所以,你的应用也在本范围。
解答得很详细,非常感谢