1系统技术简介
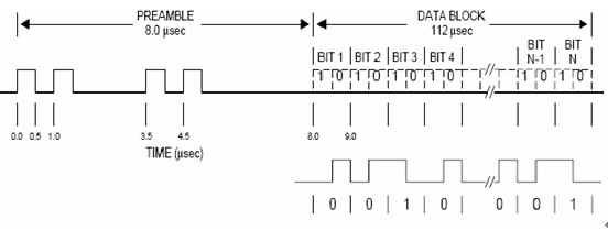
1.1 随着民航事业的不断发展,对民航无线通信系统的系统容量、覆盖范围和数据的可靠性提出更高要求。1090MHz ES ADS-B 是基于 Mode S 数据链的一种ADS-B 技术。提供的最大数据带宽为 1M Bits/s,且可以为传统雷达无法覆盖区域,比如沙漠、海洋等区域提供监视等服务。1090MHz ES ADS-B 是国际民航组织唯一推荐的一种模式,该系统只需对Mode S 应答机做少许改动,就能实现 ADS-B 消息编码。ADS-B 系统建立在独立编址、在机载设备,比如 GNSS 的支持下,自动广播当前状态信息、模式信息、目标信息等,从而实现监视、导航、敌我识别等。
本文介绍了一种基于 FPGA+DSP 架构的 ADS-B 接收机数字处理系统。改进了原 ModeS 解码算法,实现高密度环境下的 ADS-B 广播信息接收功能,包括报头检测算法、多采样点多参数的代码拾取算法,以及基于置信度分析的纠错算法,提出并实现部分 ADS-B 消息提取算法。
1。2 ADS-B消息的处理流程
ADS-B消息有很多应用,ADS-B 技术的目的之一是增强飞行安全性,如何利用ADS-B 信息来保证飞行安全是监视系统中重要的任务。通过ADS-B 保证飞行安全包括两方面,一是最小飞行间隔保证,二是冲突避免和解脱。最小飞行间隔保证是在一定的位置精度等级下,保证飞行器间有可以满足安全要求的距离;冲突避免和解脱是充分利用飞行意向信息,避免一架以上的飞机同时出现在某一区域而产生冲突,若产生冲突则要从冲突中解脱出来。要实现上述应用,一个必须的前提是正确地进行消息处理,消息处理流程如下图所示:

图 2 信息处理流程
2 总体设计
2.1系统设计框图

图 3 总体框图
2.2 处理器
LM3S811。LM3S811采用的是Cortex-M3内核的处理器,在运算速度上可以到达72M的速度,并且LM3S811可以减少外围设备的使用,有利于简化产品的设计,降低生产成本,增加效益。

2.3 滤波电路
采用TI公司的VCA610 作为滤波电路的核心电路。
2.4 电源设计芯片
2.5 ADS-B地面站设计
3 程序设计流程图
3.1 总体程序设计流程图

图3.2 报头检测
3.3 信号处理

图3.3 信号处理流程图
3.4 校验流程图
图3.4 校验流程图