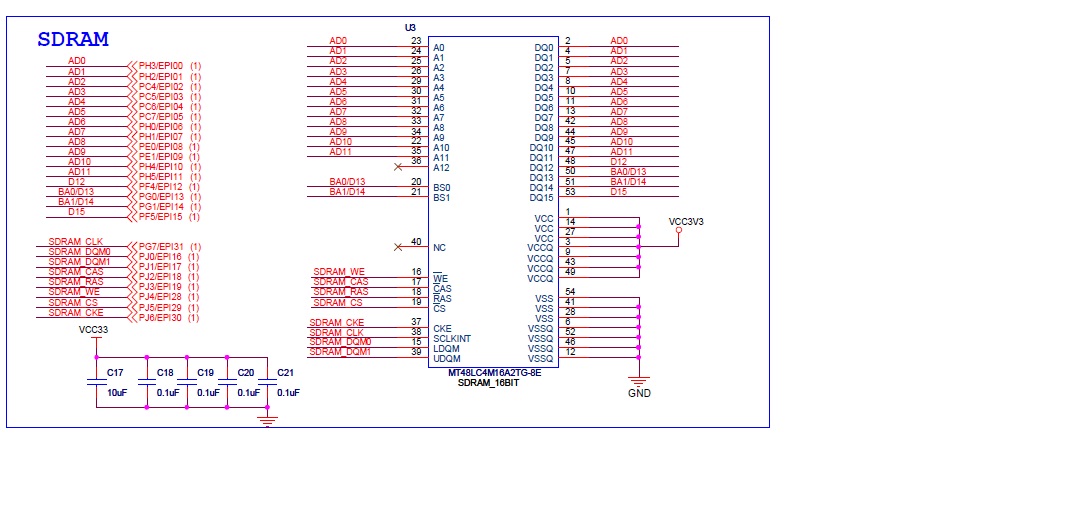
TI的大侠们,,我用的LM3s9b96,SDRAM为什么初始化过不了



以下是我的初始化过程,

unsigned char InitCfgSDRAM(void)
{
 unsigned char bRetcode = false;
 SysCtlPeripheralEnable(SYSCTL_PERIPH_GPIOC);
 SysCtlPeripheralEnable(SYSCTL_PERIPH_GPIOE);
 SysCtlPeripheralEnable(SYSCTL_PERIPH_GPIOF);
 SysCtlPeripheralEnable(SYSCTL_PERIPH_GPIOG);
 SysCtlPeripheralEnable(SYSCTL_PERIPH_GPIOH);
 SysCtlPeripheralEnable(SYSCTL_PERIPH_GPIOJ);
 
 SysCtlPeripheralEnable(SYSCTL_PERIPH_EPI0);
  
 GPIOPinConfigure(GPIO_PH3_EPI0S0);//PH3/EPI00 (1)
 GPIOPinConfigure(GPIO_PH2_EPI0S1);//PH2/EPI01 (1)
 GPIOPinConfigure(GPIO_PC4_EPI0S2);//PC4/EPI02 (1) 
 GPIOPinConfigure(GPIO_PC5_EPI0S3);//PC5/EPI03 (1)  
 GPIOPinConfigure(GPIO_PC6_EPI0S4);//PC6/EPI04 (1) 
 GPIOPinConfigure(GPIO_PC7_EPI0S5);//PC7/EPI05 (1) 
 GPIOPinConfigure(GPIO_PH0_EPI0S6);//PH0/EPI06
 GPIOPinConfigure(GPIO_PH1_EPI0S7);//PH1/EPI07
 GPIOPinConfigure(GPIO_PE0_EPI0S8); //PE0/EPI08 (1)
 GPIOPinConfigure(GPIO_PE1_EPI0S9); //PE1/EPI09 (1)
 GPIOPinConfigure(GPIO_PH4_EPI0S10);//PH4/EPI10 (1)
 GPIOPinConfigure(GPIO_PH5_EPI0S11);//PH5/EPI11 (1)
 GPIOPinConfigure(GPIO_PF4_EPI0S12);//PF4/EPI12 (1)
 GPIOPinConfigure(GPIO_PG0_EPI0S13);//PG0/EPI13 (1)
 GPIOPinConfigure(GPIO_PG1_EPI0S14);//PG1/EPI14 (1)
 GPIOPinConfigure(GPIO_PF5_EPI0S15);//PF5/EPI15 (1)
 GPIOPinConfigure(GPIO_PG7_EPI0S31);//PG7/EPI31 (1)
 GPIOPinConfigure(GPIO_PJ0_EPI0S16);//PJ0/EPI16 (1)
 GPIOPinConfigure(GPIO_PJ1_EPI0S17);//PJ1/EPI17 (1)
 GPIOPinConfigure(GPIO_PJ2_EPI0S18);//PJ2/EPI18 (1)
 GPIOPinConfigure(GPIO_PJ3_EPI0S19);//PJ3/EPI19 (1)
 GPIOPinConfigure(GPIO_PJ4_EPI0S28);//PJ4/EPI28 (1)
 GPIOPinConfigure(GPIO_PJ5_EPI0S29);//PJ5/EPI29 (1)
 GPIOPinConfigure(GPIO_PJ6_EPI0S30);//PJ6/EPI30 (1) 

 GPIOPinTypeEPI(GPIO_PORTC_BASE, GPIO_PIN_7 | GPIO_PIN_6 | GPIO_PIN_5 | GPIO_PIN_4);
 GPIOPinTypeEPI(GPIO_PORTE_BASE, GPIO_PIN_0 | GPIO_PIN_1);
 GPIOPinTypeEPI(GPIO_PORTF_BASE,  GPIO_PIN_5 | GPIO_PIN_4);
 GPIOPinTypeEPI(GPIO_PORTG_BASE, GPIO_PIN_0 |GPIO_PIN_1| GPIO_PIN_7);
 GPIOPinTypeEPI(GPIO_PORTH_BASE, GPIO_PIN_0 | GPIO_PIN_1 | GPIO_PIN_2 | GPIO_PIN_3 | GPIO_PIN_4 |GPIO_PIN_5);
 GPIOPinTypeEPI(GPIO_PORTJ_BASE,  GPIO_PIN_0 | GPIO_PIN_1 | GPIO_PIN_2 | GPIO_PIN_3 | GPIO_PIN_4 |GPIO_PIN_5 |GPIO_PIN_6 ); 

 bRetcode = SDRAMInit(1, (EPI_SDRAM_CORE_FREQ_0_15 | EPI_SDRAM_FULL_POWER | EPI_SDRAM_SIZE_64MBIT),1024);
 return(bRetcode);
 
}

仿真看了下,SDRAMInit()这个函数,读写SDAM验证不过:如下

    g_pusEPIMem[0] = 0xABCD;
    g_pusEPIMem[1] = 0x5AA5;

    // Read back the patterns we just wrote to make sure they are valid.  Note
    // that we declared g_pusEPIMem as volatile so the compiler should not
    // optimize these reads out of the image.
    //
    if((g_pusEPIMem[0] == 0xABCD) && (g_pusEPIMem[1] == 0x5AA5))

纠结了好久,没发现问题,望指点下。。。,谢谢了!