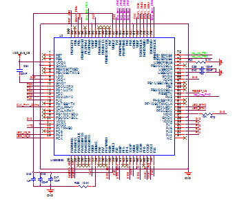
9B96单片机 无法连接JLINK



单片机的引脚根据开发板设计的,各个引脚的电压都正常,且JTAG口连接也正确,但是一连接JLINK,JLINK的灯就变成红色,拔掉之后JLINK灯变成绿色。请问这是什么原因呢?