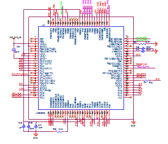
自己根据开发板原理图设计的一款板子,焊接好之后,测量电压均正常且接地也正常,JTAG口也是按照开发板原理图连接的并增加了3.3V上拉!
可是,连接JLINK上电之后,JLINK显示红灯,连接不上单片机!
请问这是什么原因?
自己根据开发板原理图设计的一款板子,焊接好之后,测量电压均正常且接地也正常,JTAG口也是按照开发板原理图连接的并增加了3.3V上拉!
可是,连接JLINK上电之后,JLINK显示红灯,连接不上单片机!
请问这是什么原因?
检查下JLINK的电源设置,我印象中TI开发板的电源是PIN1, pin是悬空的,JLINK的PIN好像是要检测外部电源的。
首先谢谢你的回复。
问题已经找到了,是因为单片机的复位引脚总处于复位状态导致的。