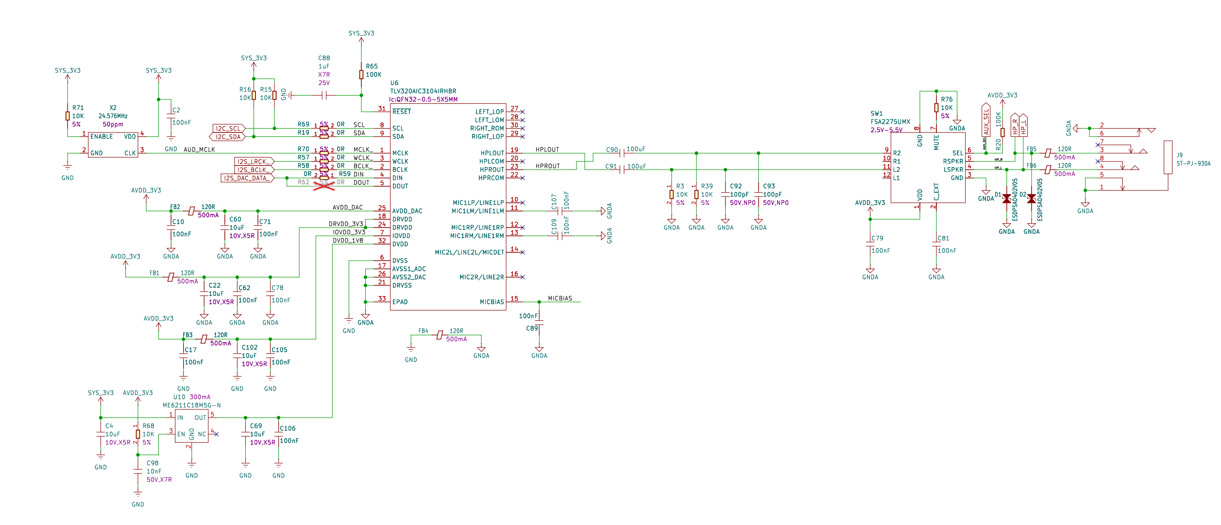
Part Number: TLV320AIC3104
你好,我在使用TLV320AIC3104IRHBR芯片时,发现只是上电的情况下,底噪有400mV左右,放1Khz的正弦波会串进去很多杂波,底噪集中在100k-500k,请问是什么问题,我的电源纹波都在40mV以内。

This thread has been locked.
If you have a related question, please click the "Ask a related question" button in the top right corner. The newly created question will be automatically linked to this question.
Part Number: TLV320AIC3104
你好,我在使用TLV320AIC3104IRHBR芯片时,发现只是上电的情况下,底噪有400mV左右,放1Khz的正弦波会串进去很多杂波,底噪集中在100k-500k,请问是什么问题,我的电源纹波都在40mV以内。

在我自己测试噪声底之前,我的第一条意见是,在这些Σ-Δ(Sigma-Delta)转换器中,设备以更高的内部频率进行采样,因此低于音频采样率的噪声会被移到超声波频率(100kHz 是我们的音频设备所期望保持干净信号的绝对最大值)。通常对于音频系统,我们不关心高于100kHz的频率,并且扬声器会通过不与放大器再现高频信号以及扬声器本身的响应来滤除高频噪声。如果你在输出端添加一个低通滤波器,频率位于奈奎斯特频率或其以上,比如100kHz,应该可以减少你看到的这些噪声。将输出改为差分而非单端输出也会有帮助,即将 HPLCOM 和 HPRCOM 作为 HPL 和 HPR 输出的差分信号发送。这样可以帮助减少来自你的电路板/环境的任何共模噪声。