E2E™ 设计支持
搜索
用户
站点
搜索
用户
E2E™ 中文设计支持 >
论坛
放大器
API 解答
音频
时钟和计时
数据转换器
DLP® 产品
接口
隔离
逻辑
微控制器
电机驱动器
处理器
电源管理
射频与微波
传感器
站点支持
开关与多路复用器
工具
无线连接
参考译文
存档组
存档论坛
技术文章
模拟
汽车
DLP® 技术
嵌入式处理
工业
电源管理
TI 培训
快速入门
English
更多
取消
音频
音频论坛
论坛
提及
子组
标记
更多
Cancel
提出相关问题
什么是相关问题?
相关问题是指与本问题有关联性的问题,”相关问题“ 被创建后,会自动链接到当前的原始问题。
提出新问题
提出新问题
Cancel
状态
TI Thinks Resolved
回复
2 回复
答案
1 答案
订户
20 订户
视图
72 视图
用户
0 会员在此处
TPA3255
家庭影院和娱乐
选项
标记
更多
取消
选项
共享
更多
取消
相关
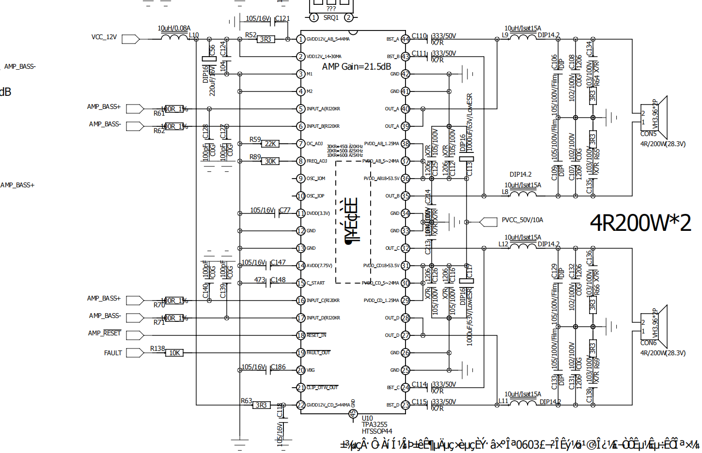
TPA3255: TPA3255 开机不到3秒进入保护,要重新开机才能工作
user6336137
Prodigy
40
points
Part Number:
TPA3255
5 天前
0
Eirwen
5 天前
TI__Mastermind
26865
points
已经收到了您的案例,调查需要些时间,感谢您的耐心等待。
取消
向上
0
True
向下
取消
0
Eirwen
5 天前
回复
Eirwen
TI__Mastermind
26865
points
下面是评估板用户手册,您可以参考里面的回路图对照检查下:
www.ti.com.cn/.../slou441.pdf
取消
向上
0
True
向下
取消