PCM5242 用pure conlose 2 调试EQ 二阶滤波器的高音10khz的增益调高后,中低频的幅度会变小,这个什么原因,如何处理。(衰减10khz就不影响,见下图),是哪里设置的问题,好像是限幅了一样?
您好,已经收到了您的案例,调查需要些时间,感谢您的耐心等待。
您好,
我使用不同的设备尝试了PPC2,因为我没有PCM5242 EVM,而且我有相同的观察结果。您对单个点所做的更改,会反映在二阶复合上,因为最终波形是所有单个点的组合。所以这似乎是内置在系数计算中的。
我在考虑,如果您想要一个平坦的增益,可能可以修改所有或部分其他单点,以便复合波形给你一个平坦增益。
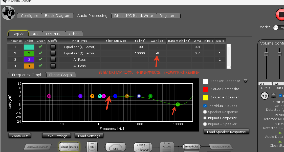
除此之外,您可能需要更改特定二阶滤波器的系数,使其增益尽可能接近0。在波形面板的右侧,请注意仅选择单个二阶时,在调整单个点时激活二阶复合,以便调整并查看复合效果。
以上你的回复,没有看明白是否有方法解决调节高频增益后,中低频幅度衰减的问题。麻烦说详细点,谢谢。
这种衰减是由于双二阶滤波器的工作原理所致,以防其输出变得无界。如果你想增加所有频率的增益,我建议在信号链的后面提高增益/音量。
我们可以看到,双二阶滤波器位于混音器和主音量之前。你可以在图形界面的音量控制部分调整输出音量:
你好,那么我的产品里面如果要调节10KHZ的话,需要发二阶滤波器的参数,同时也要调节音量的参数,这样就不知道调多少才合适,有没有什么方式可以把整个基准增益先调到-10DB,这样,我调节10KHZ的增益的时候就不会收影响了?
该设备中的软件及其图形用户界面(GUI)的工作方式是,你可以单独调整每个二阶滤波器,而不影响输出音量。因此,如果你将10kHz的频率调整到你想要的值,可以在二阶滤波器(Biquad)标签中勾选“Biquad Composite”复选框,以显示整个二阶滤波器部分的输出频率响应。这样,你就可以知道其他频率被衰减了多少,然后相应地增加主音量,使其他频率恢复到0dB。