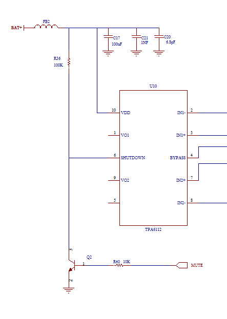
请问如图所示,在静音时将6脚拉低,测量6脚电压已为0时,但功放关闭时间还有4秒钟的延时是什么原因?直接将6脚接低功放也还有4秒钟的声音才能关闭,此时声音会变小4秒钟再关闭。是电路形式问题还是功放本身的问题?
This thread has been locked.
If you have a related question, please click the "Ask a related question" button in the top right corner. The newly created question will be automatically linked to this question.