This thread has been locked.

If you have a related question, please click the "Ask a related question" button in the top right corner. The newly created question will be automatically linked to this question.

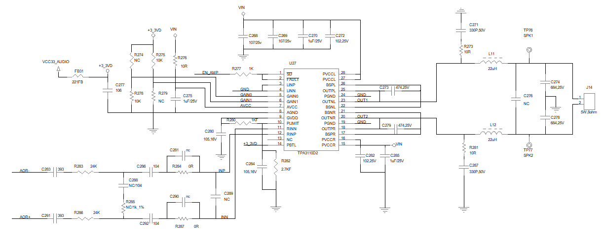
TPA31102D2引起电池电压瞬间跌落



VIN是电池电压通过MOS开关打开后得到的电压。电池是3串18650电池。

开机瞬间VIN得电,电池电压会瞬间跌落,跌落波形及电路见后面。

喇叭用的8R 5W的。拆掉这个功放IC就没问题了。请帮忙看一下哪里参数不对吗?还帮忙看一下放大倍数有没有超啊。

测量输出电感差不多是开机后过几秒才有波形的。

开机瞬间功放附近明显有个“T”的声音,像按了一个轻触开关一样的声音。

谢谢~!