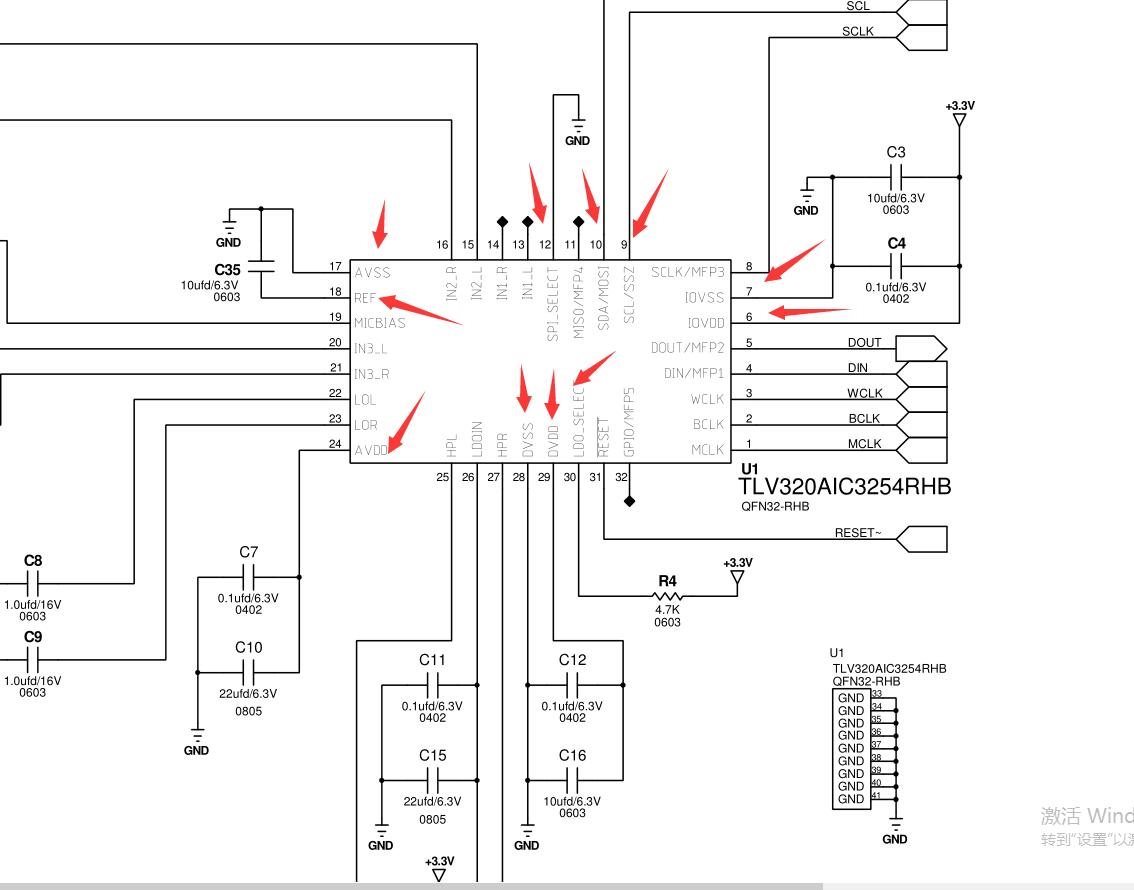
如题,我自己买了AIC3254的芯片和QFN32的转接板,用来搭建一个我自己的评估测试板,现在按照原理图连接了IOVDD/DVDD/DVSS/I2C_SCL/I2C_SDA等引脚到评估板底板上,可是打开CS软件发现找不到设备,USB通信的灯也没有亮,读取寄存器数值也全是OXFF,请问这个是为什么呢?还有哪些关键性引脚没连上呢?
This thread has been locked.
If you have a related question, please click the "Ask a related question" button in the top right corner. The newly created question will be automatically linked to this question.
如题,我自己买了AIC3254的芯片和QFN32的转接板,用来搭建一个我自己的评估测试板,现在按照原理图连接了IOVDD/DVDD/DVSS/I2C_SCL/I2C_SDA等引脚到评估板底板上,可是打开CS软件发现找不到设备,USB通信的灯也没有亮,读取寄存器数值也全是OXFF,请问这个是为什么呢?还有哪些关键性引脚没连上呢?