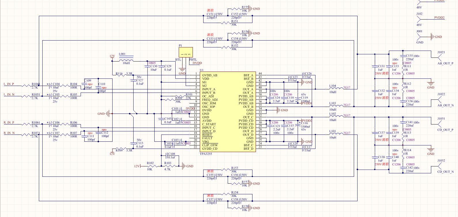
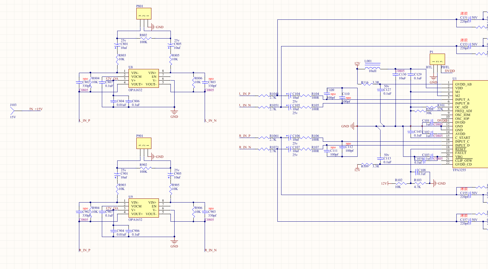
电路如下
第一次接上喇叭上电,喇叭啪的一声 然后就进入保护状态了(输出电压均为0.6V左右),我做了以下测试:
1.测量C104、C105、C106、C107四个耦合电容两端的电压,电容输入侧电压均为5.6V左右(opa1632输出的偏置电压),电容输出测电压分别为3.34V、1.89V、1.55V、3.34V;
2.拆除C104、C105、C106、C107四个耦合电容,测量耦合电容输出侧焊盘的电压仍为3.34V、1.89V、1.55V、3.34V,怀疑此3255已损坏;
3.更换新的3255之后,在C104、C105、C106、C107已拆除的情况下上电,电路未进入保护状态,输出正常,测量耦合电容输出侧焊盘的电压,均为3.34V,测量耦合电容输入侧焊盘的电压均为7V多,3255输出电压均为23V左右(48V供电);
4.将C104、C105、C106、C107重新装上,再次上电3255再次进入保护状态,测量耦合电容输出侧电压分别为0V、0V、3V、0V,输出电压为48V、48V、0.6V、0.6V;
5.再次拆除C104、C105、C106、C107后上电,与第4点的现象相同;
6.断电后使用万用表的二极管档位测量3255四个输入管脚的对地压降,变为100多、100多、1200多、100多,怀疑输入端已损坏。
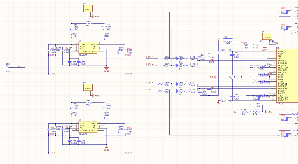
电路平衡输入部分参考《TAS5630PHD2EVM User's Guide》
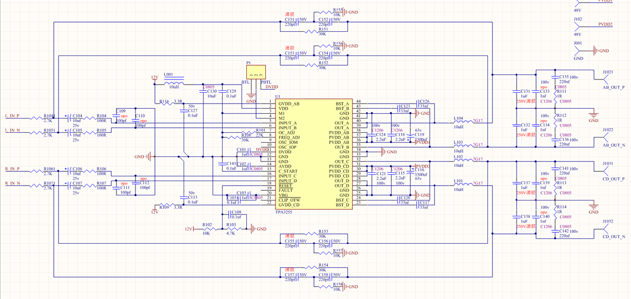
功放部分参考《TPA324x and TPA325x Post-Filter Feedback》《TPA3255EVM User's Guide》《TPA3251D2EVM User's Guide》
请教各位专家,电路中哪里不对会造成这样的情况,应该如何修改
已经烧坏两块了......愁......

