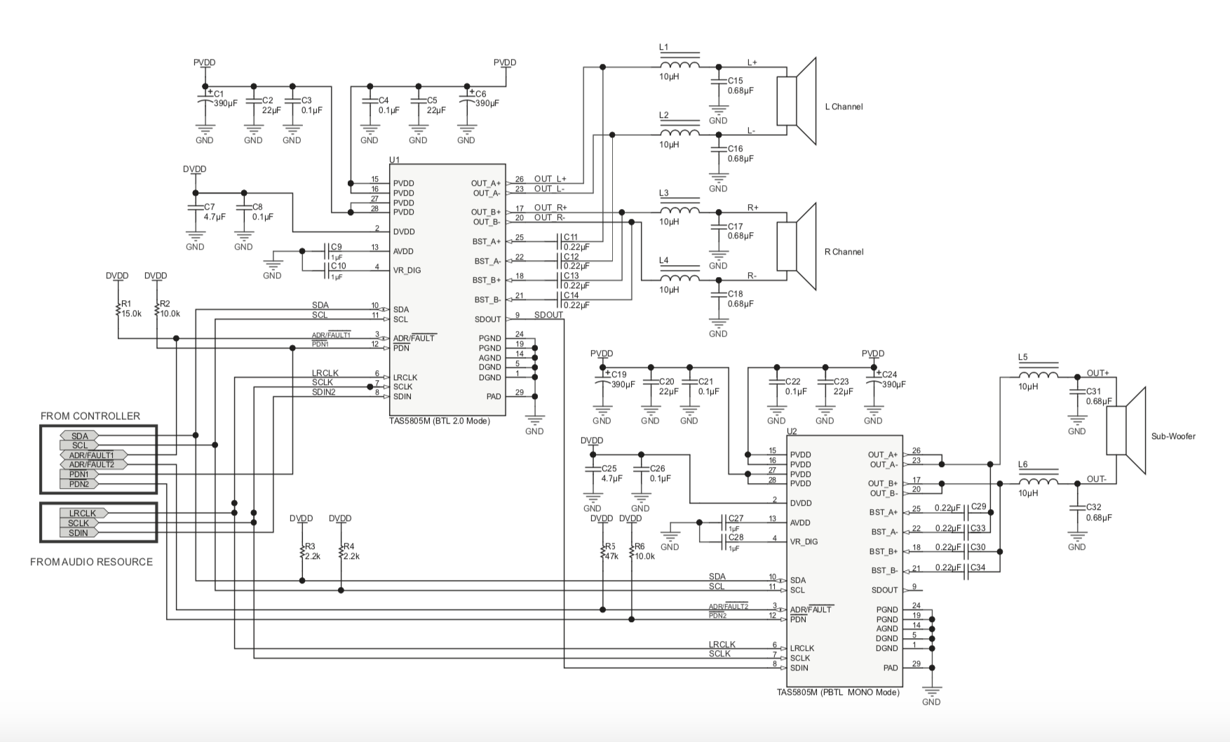
請問 TAS5805的 MONO 模式,可以播放調整成只撥放左或右 聲道嗎?
我把兩個 TAS5805 線路規劃成 Mono模式,但是I2S 是雙聲道輸入
我可以用兩個Mono:
第一個TAS5805 設定右聲道靜音,只撥放左聲道 (L)
第二個TAS5805 設定左聲道靜音,只撥放右聲道(R) ,這樣等於是左右都有的stereo。
因為每一個單體喇叭,都會有一個TAS5805,所以我想做成以下兩種應用方式,不知是否可行
應用1 (mono輸出):
只有一個mono喇叭時:
I2S 輸入-> TAS5805 = Mono
應用2 (stereo輸出):
同一個 I2S訊號,同時有兩個 Mono的喇叭時:
I2S 輸入 -> TAS5805( L mute) = Right channel
I2S 輸入-> TAS5805 (M mute) = Left channel

