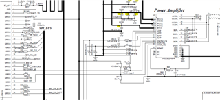
一开始系统上电的时候,SD/FAULT 脚是通过1个47KΩ的电阻下拉到地的。
待系统启动完毕后,通过一个MCU的GPIO口来控制SD/FAULT 脚的上拉。
GIPO口输出电压3V,通过分压电路来控制SD/FAULT脚出电压。
参考芯片的规格书把SD/FAULT的脚的上拉电压控制在2V以上,但是发现功放声音无输出。
直到把SD/FAULT脚的电压上拉到2.6V以上,芯片功放才有输出。
想确认一下,是否芯片规格书内描述有问题?
还有在用万用表量测SD/FAULT脚的电压的时候,会出现芯片功放输出增益有变化,测试下来变化约6dB
可以明显感觉到播放音乐的声音的变化。
这一点非常困惑。
该系统的GAIN SEL是通过1K电阻下拉达到地的,应该增益不会有变化才对啊。
还请麻烦确认一下。
谢谢
以下是部分原理图
