This thread has been locked.

If you have a related question, please click the "Ask a related question" button in the top right corner. The newly created question will be automatically linked to this question.

TLV320AIC3204: tlv320aic32x4芯片播放模式没有问题,录音模式无法录音

Part Number: TLV320AIC3204

使用以下命令进行播放,没有问题:

tinymix set "PRI_MI2S_RX Audio Mixer MultiMedia1" "1"
tinymix set "HPL Output Mixer L_DAC Switch" "1"
tinymix set "HPR Output Mixer R_DAC Switch" "1"
tinymix set "HP DAC Playback Switch" "1"
tinymix set "HP Driver Gain Volume" "35"
tinymix set 'HPL Output Mixer IN1_L Switch' 1
tinymix set 'HPR Output Mixer IN1_R Switch' 1

请帮助确认录音的命令是否正确:

tinymix set 'ADCFGA Left Mute Switch' 0

tinymix set 'ADCFGA Right Mute Switch' 0

tinymix set 'MultiMedia1 Mixer PRI_MI2S_TX' 1

tinymix set "IN3_R to Right Mixer Positive Resistor" 1

tinymix set "IN3_L to Left Mixer Positive Resistor" 1

tinymix set "CM_L to Left Mixer Negative Resistor" 1

tinymix set "CM_R to Right Mixer Negative Resistor" 1

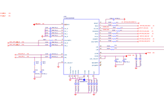
原理图如下: