This thread has been locked.

If you have a related question, please click the "Ask a related question" button in the top right corner. The newly created question will be automatically linked to this question.

音频功率放大器正负供电问题

Part Number: LM4808LM4889
Other Parts Discussed in Thread: LM4889

您好:

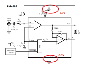
我的设计中想驱动0.8W8R的扬声器和32R的耳机,看中了LM4808和LM4889

按照Datashe的说明,我算了一下这两个功放芯片供电电压VDD在5V左右才合适,

问题是我的电源部分只有开关电源输入5V1A经LDO稳压输出的正负3.3V,

我想采用如图所示的正负电源供电,请问可行吗?

如果不行,直接使用开关电源的5V经滤波后供电,噪声会不会很大?谢谢。