Other Parts Discussed in Thread: PCM2902,
您好,我们使用了贵司的PCM2902CDBR芯片,有以下两个问题
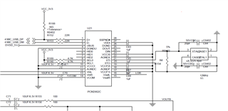
1.有几块板子在查询声卡芯片时,查询不到声卡芯片,查询记录可以见附件。12晶振时ok的,我们使用的usb2.0 D+ D-也是连通的。请问这个主要跟那部分电路有关系,应该怎么排查。
2.由于单片机引脚资源有限,我们把 HID0,HID1,HID2,SSPND都做了悬空处理,可以这样处理吗,或者有什么别的处理方式。
3.SEL0,SEL1两个引脚使用的时外部3.3V上拉,没有跟参考设计一致上拉接到VDDI引脚,这个有影响吗。
期待您的答复,谢谢!