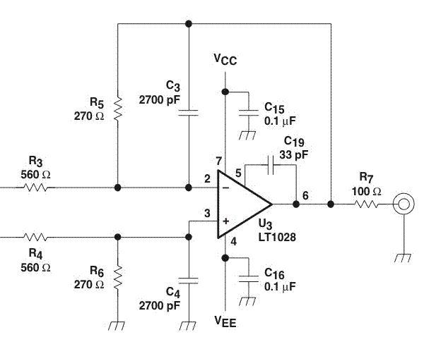
请教这个电阻作用,阻抗匹配?
This thread has been locked.
If you have a related question, please click the "Ask a related question" button in the top right corner. The newly created question will be automatically linked to this question.
Hi Scott,
我觉得此处100ohm电阻起隔离作用(通常该电阻取值较小,10ohm~100ohm),隔离前后级,同时增强运放驱动容性负载的能力。
Thanks.
隔离到时有这个功能,增强运放驱动容性负载的能力,就不理解了,有了电阻驱动电流电压不是降低了吗?
你好:
因为一般如果是容性负载在启动的时候都会有大电流,加了电阻的作用就是限制电流,这样就增大了驱动电流的能力。
这里的驱动能力不是单纯指电流电压大小,通常情况下运放直接驱动容性负载往往会引起反馈环路不稳定,造成输出振荡。串入一小电阻(取决于反馈环路上的零极点位置)会改变反馈环路的相位裕量,保证驱动较大容性负载时仍能稳定工作。