Dear team,
I have a question about short to VBAT in microphone mode.
I did three test case,as following:
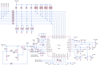
PCM6240 in DC-Coupled Microphone Differential Input Connection,
(1)Test case 1:when pcm6240 connect all 4 MICs with MIC Load,short MIC1+ /MIC2+ /MIC3+ /MIC4+ to VBAT,everything is OK;
(2)Test case 2:only connect MIC1 load,and mic2/mic3/mic3 did't connect mic load,when short mic1+ to VABT,voltage of mic2,mic3,mic4 will change from 9v to 12V,and sofaware log also show mic2,mic3,mic4 are shorted to vbat.
(3)Test case 3:when mic1/mic2/mic3/mic4 did't connect mic load,mic1+ shorted to vbat,and sofaware log show mic1,mic2,mic3,mic4 are shorted to vbat.
I cannot understand the result in test case 2 and case3,if one of the channel (MIC1)only connect the mic load,when the mic1+ channel short to vbat,why the other channel will report the short to vbat too?
Can you help analyze the cause of this problem?Is this anomaly software log because of the pull-up resistor? Is this problem normal?