Part Number: TPA3111D1
各位好:
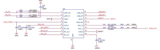
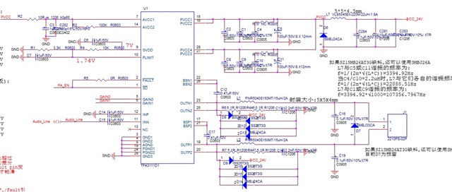
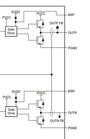
我在设计的时候使用了TPA3111D1音频功放芯片,在使用一段时间后(1~几个月)出现了功放芯片OUTP引脚的下管MOS烧毁短路以及个别还有电容C18(1nf/10%/50V/X7R)烧毁短路情况;该功放芯片对接的是8Ω/10W的喇叭;功放芯片部分原理图见图1,语音芯片部分原理图见图2;测试时在OUTP引脚上未见到高压波形,而只是一般的PWM波见图3;在测试的时候发现某些曲目切换瞬间又大电流产生见图4(100mV对应1A电流,且正常播报时峰值在1.2A左右),发现是C16/C19两个较大电容引起,把这两个电容换成0.1uf电容后,曲目切换时就没有瞬间大电流了,但实际是在该单板去掉LC电路后接上电阻负载,做模拟大电流测试时见图5和图6(电流正方向表示从OUTP引脚流向L2,负方向表示从L2流向OUTP引脚),测试几天也没问题; 对于C18(原来为1nf/50V)电容,本来怀疑是该RC吸收电路能量过大引起,因此想把该电容封装增大,且修改为2.2nf,但是就算在不更改C18电容情况下,放进60℃高温老化箱中测试,测试几天也未出问题,而在车上实测几个小时单板上该功放芯片和电容C18也才60~70℃(算上测量误差的余量)之间;另外就是该芯片丝印如图7和图8,不清楚该丝印能否看出来是假货之类的问题? 目前剩余猜测是自激振荡之类的,考虑把增益减小和电源处增强滤波,但在车上测试波形时均未发现异常! 鉴于电容和OUTP下管同时短路损坏,最大的可能性为在某个瞬间,OUTP引脚上出现了瞬间高压,损坏了电容和OUTP引脚的下管MOS; 请各位大神帮忙分析提供下其他思路,已经出现5例烧坏OUTP引脚下管MOS短路情况;
单板供电为24V,更改原理图前,外部接入的24V电压直接接入到VCC_24V;
更改后的功放电路如图9,各位帮忙看看新更改的原理图是否有潜在风险?












