Hi,all
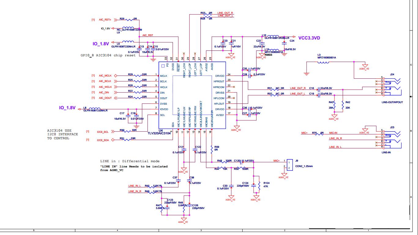
现在正在调试3104的音频输入,使用的是lineIn,不知道该芯片是否支持lineIn的热插拔,或者是我们的电路设计存在问题,请指教。
This thread has been locked.
If you have a related question, please click the "Ask a related question" button in the top right corner. The newly created question will be automatically linked to this question.
你好,
你所说的line in热插拔,是指上电的前提下,line插拔都能正常工作吗?
热插拔可能会产生pop声。
对,是在上电的前提下插拔。目前可以了,软件需要处理一下,重启打开一下初始化一下,不然拔出后无法正常工作。