This thread has been locked.

If you have a related question, please click the "Ask a related question" button in the top right corner. The newly created question will be automatically linked to this question.

【原创】 TLV320AIC10的使用

Other Parts Discussed in Thread: TLV320AIC10

    TLV320AIC10使用过采样提供高分辨率的从数字到模拟(D / A)和从模拟到数字(A / D)的信号转换。对于一般用途的应用程序,它允许2to1 MUX输入,内置抗混滤波器,如电话接口电路放大,驻极体话筒前置放大器,等。接受常规的模拟信号和辅助输入。该装置包含一对16位同步串行转换路径(一个方向),DAC之前包括一个内插滤波器和在ADC之后包含一个抽取滤波器。FIR滤波器可以绕过提供灵活性和节省功率。片上提供的其他功能包括定时(可编程的采样率,连续数据传输,和FIR旁路)和控制(可编程增益放大器,通信协议,等)。西格玛三角洲体系产生高分辨率模数和数模转换在较低的系统成本。 
    TLV320AIC10设计提高了与DSP的通信。连续的数据传输模式完全支持TI的DSP autobuffering(阿布)降低DSP中断服务的开销。自动级联检测(ACD)使梯级编程简单,支持一个主级联操作和高达七位的次级联。主机接口直接配置模式使用单线串行口直接编程内部寄存器没有从数据转换串口干扰,或没有复位整个装置。事件监控模式使DSP监控如电话摘机振铃检测等得外部事件。

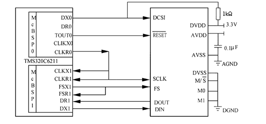
采用TMS320C6211与TLV320AIC10相连接,连接原理图如下

TLV320AIC10收发数据时序图如下

TLV320AIC10直接配置时序图如下