This thread has been locked.

If you have a related question, please click the "Ask a related question" button in the top right corner. The newly created question will be automatically linked to this question.

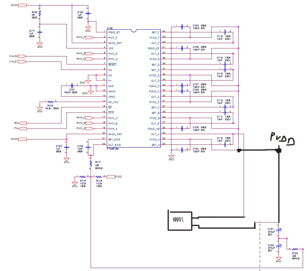
我想请问一下XP大哥



我想请问一下,就昨天那个TAS5186,一定要高频的正负极音频电容才能出声音么还是普通电容也能出声音,只要能出个带音乐的声音就行不管好坏?现在我已经把系统最小化了,如下图,还是不响