This thread has been locked.

If you have a related question, please click the "Ask a related question" button in the top right corner. The newly created question will be automatically linked to this question.

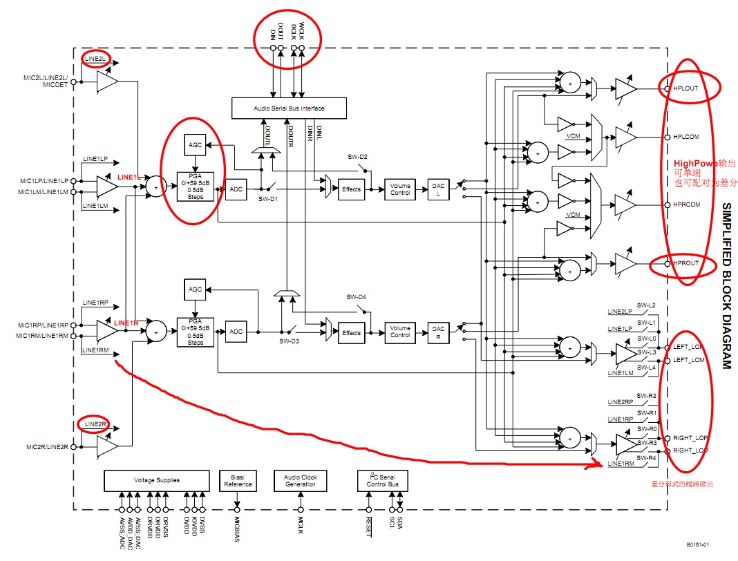
TLV320AIC3101的LEFT_LOM/LEFT_LOP可否接成RCA单端输出?

Other Parts Discussed in Thread: TLV320AIC3101

手册中描述TLV320AIC3101音频输出包括:HPLCOM/HPLOUT,HPRCOM/HPROUT,RIGHT_LOM/RIGHT_LOP,LEFT_LOM/LEFT_LOP,方案中打算将HPLCOM/HPLOUT,HPRCOM/HPROUT接成两组BTL推两个8欧姆的喇叭,剩下一组RIGHT_LOM/RIGHT_LOP,LEFT_LOM/LEFT_LOP需要接耳机和LINE两组输出,请问有没有好的解决方案?这组差分输出可以配置成单级输出吗?还是必须先用运放转换成单级信号作为LINE输出,然后再加耳放推耳机?