Part Number: TPA3110D2
我现在新做一款使用TPA3110的板,共500片。 使用24V 供电。 测试过程中出现3片没有声音。然后对这500片第二次测试又发现3片。 在第三次测试的时候,还没有测试结束,又发现一片该现象。
经检查这三片一直处于保护状态。然后如果给音频一直输入,然后再给24V 供电,能叫到几秒钟不正常的输出声音。然后继续保护。 芯片没有发热! 尝试全部更换外围元件均问题依然存在。最后更换TPA3110D2后问题现象消失。可以正常播放音乐。
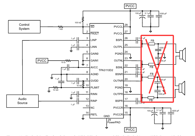
该板除了输出用了15uH电感+ 2.2uF电容滤波以外,其它部分均跟DataSheet中参考原理图相同。
不知道有没有人碰到类似的问题。大概可能是什么原因引起的!

