Part Number: LMK04832
你好,
现在我使用了LMK04832应用在Dual Loop 0-delay模式作为默认配置,在应用时,我希望切换至Single Loop模式,直接对PLL1_PD进行使能后便可以正常使用吗?是否需要重新进行初始化操作?

This thread has been locked.
If you have a related question, please click the "Ask a related question" button in the top right corner. The newly created question will be automatically linked to this question.
Part Number: LMK04832
你好,
现在我使用了LMK04832应用在Dual Loop 0-delay模式作为默认配置,在应用时,我希望切换至Single Loop模式,直接对PLL1_PD进行使能后便可以正常使用吗?是否需要重新进行初始化操作?

你能更详细地告诉我们你想做什么吗?LMK04832是否有您想要满足的时钟树?也许如果我们更多地了解你想做什么,我们可以提供更好的建议。
通常,在客户应用程序中,从双环模式切换到单环模式并不是实时发生的。PLL1需要一个外部VCXO,而仅仅为了禁用它而做出这种SWaP承诺是不寻常的。您通常会提前设计配置,然后在设备通电时初始化该特定配置。请注意,单环模式使用PLL2,因为PLL2包括一个集成的高频VCO(其性能略低于离散的VCXO,但在频率规划方面更灵活)。因此,在单回路模式下,应设置PLL1_PD,因为PLL1在单回路方式下未使用。很少有使用PLL1代替PLL2的情况,例如VCXO锁定和扇出,但这是不寻常的——我在七年里见过两次。
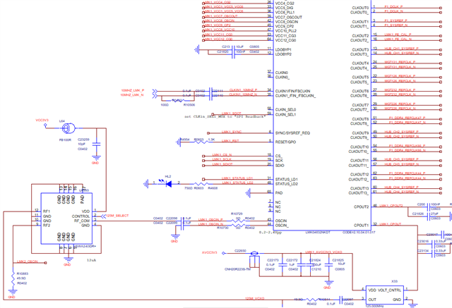
我的应用如图。在默认配置下,使用双环模式,并且PLL2的输入为125MHz VCXO;当不使用125MHz VCXO时,需要切换开关至另一路,并且仅使用04832的PLL2,此时直接关闭PLL1是否可以?需要重新对04832进行初始化吗?若使其仍然工作在双环模式下,该切换操作会导致什么错误吗?
明白了,谢谢澄清。您只需切换PLL1_PD设置,即可实时启用或禁用PLL1。当PLL1被禁用时,LMK04832将继续与PLL2独立运行,当PLL1_PD被清除并且PLL1被重新启用时,不需要额外的初始化。
我理解使用多路复用器设备隔离两个OSCin源的想法,我认为这是一个好主意。您还可以考虑VCXO的某种功率门控或启用引脚变体,以防止VCXO和其他信道之间的串扰。否则,VCXO和其他输入信号之间的串扰会产生杂散。如果两个源都是125MHz,则杂散可能非常接近载波,这可能会使PLL2难以正确锁定。
感谢您的解答。再确认下,若我仅切换开关至另一路,但保持LMK04832工作在双环模式下,此时依旧能够正常锁定吗?