Part Number: LMK3H0102
1.目前我在使用tics pro配置配置LMK3H0102输出160M的时钟,软件上有几个部分不知道如何选择,如下图所示:

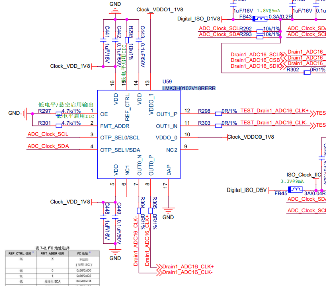
然后我们的硬件对lmk3h0102的连接部分如下


请帮忙看下如何选择???是否需要勾选????
2.是否配置完上述的,点击Finish皆可以了????
3.我们是用soc去驱动??是否有相应的驱动代码示例???(单片机驱动的也行)
This thread has been locked.
If you have a related question, please click the "Ask a related question" button in the top right corner. The newly created question will be automatically linked to this question.
Part Number: LMK3H0102
1.目前我在使用tics pro配置配置LMK3H0102输出160M的时钟,软件上有几个部分不知道如何选择,如下图所示:

然后我们的硬件对lmk3h0102的连接部分如下


请帮忙看下如何选择???是否需要勾选????
2.是否配置完上述的,点击Finish皆可以了????
3.我们是用soc去驱动??是否有相应的驱动代码示例???(单片机驱动的也行)
您好,
1 SSC(Spread Spectrum Clocking)可以通过调制输出频率来减少峰值辐射发射,最高支持200MHZ,您可以选择勾选。
REF_CTRL可以选择禁用(芯片数据手册Table 4-1. Pin Functions)
FPGA若是LVDS接口,需更改输出格式。
2 在LMK3H0102 Evaluation Module User's Guide 用户手册“3.1.1 Using the LMK3H0102 Wizard”章节详细说明了配置过程。
建议线参考 LMK3H0102 Reference-Less 2-Differential or 5-Single-Ended Output PCIe Gen 1-7 Compliant Programmable BAW Clock Generator datasheet (Rev. E) “9.2.3 Detailed Design Procedure”确认您的应用。
3 没有驱动代码,就是通用的I2C时序,帧结构参考数据手册7.5.1 I2C Serial Interface
通过TICSPRO获得寄存器配置,然后参考芯片数据手册"Figure 7-4. LMK3H0102 Programming Sequence"进行寄存器写入。