Part Number: LMX2820
您好,我最近使用了贵公司的LMX2820芯片作为本振的PLL。经过测试发现,LMX2820在2倍频器的工作模式下,发生近端相位噪声与收据手册严重不符的现象。希望您能够帮助我看看是哪里出了问题,我个人怀疑是VCO校准的问题,可能是寄存器配置存在问题。
目前我的PLL工作状态如下:

此时我们的LMX2820寄存器信息如下:
// LMX2820的寄存器
#define LMX2820_R0 0x4470
#define LMX2820_R1 0x57A3
#define LMX2820_R2 0x81F5
#define LMX2820_R3 0x0041
#define LMX2820_R4 0x4204
#define LMX2820_R5 0x0032
#define LMX2820_R6 0x0A43
#define LMX2820_R7 0x0000
#define LMX2820_R8 0xC802
#define LMX2820_R9 0x0005
#define LMX2820_R10 0x0000
#define LMX2820_R11 0x0612
#define LMX2820_R12 0x0408
#define LMX2820_R13 0x0038
#define LMX2820_R14 0x3001
#define LMX2820_R15 0x2001
#define LMX2820_R16 0x171E
#define LMX2820_R17 0x15C0
#define LMX2820_R18 0x0000
#define LMX2820_R19 0x2120
#define LMX2820_R20 0x272C
#define LMX2820_R21 0x1C64
#define LMX2820_R22 0xE2BF
#define LMX2820_R23 0x1102
#define LMX2820_R24 0x0E34
#define LMX2820_R25 0x0624
#define LMX2820_R26 0x0DB0
#define LMX2820_R27 0x8001
#define LMX2820_R28 0x0639
#define LMX2820_R29 0x318C
#define LMX2820_R30 0xB18C
#define LMX2820_R31 0x0401
#define LMX2820_R32 0x1001
#define LMX2820_R33 0x0000
#define LMX2820_R34 0x0000
#define LMX2820_R35 0x2000
#define LMX2820_R36 0x0035
#define LMX2820_R37 0x0500
#define LMX2820_R38 0x0000
#define LMX2820_R39 0x0064
#define LMX2820_R40 0x0000
#define LMX2820_R41 0x0000
#define LMX2820_R42 0x0000
#define LMX2820_R43 0x0000
#define LMX2820_R44 0x0000
#define LMX2820_R45 0x0000
#define LMX2820_R46 0x0300
#define LMX2820_R47 0x0300
#define LMX2820_R48 0x4180
#define LMX2820_R49 0x0000
#define LMX2820_R50 0x0080
#define LMX2820_R51 0x203F
#define LMX2820_R52 0x0000
#define LMX2820_R53 0x0000
#define LMX2820_R54 0x0000
#define LMX2820_R55 0x0002
#define LMX2820_R56 0x0001
#define LMX2820_R57 0x0001
#define LMX2820_R58 0x0000
#define LMX2820_R59 0x1388
#define LMX2820_R60 0x01F4
#define LMX2820_R61 0x03E8
#define LMX2820_R62 0x0000
#define LMX2820_R63 0xC350
#define LMX2820_R64 0x0080
#define LMX2820_R65 0x0000
#define LMX2820_R66 0x003F
#define LMX2820_R67 0x1000
#define LMX2820_R68 0x0020
#define LMX2820_R69 0x0011
#define LMX2820_R70 0x000E
#define LMX2820_R71 0x0000
#define LMX2820_R72 0x0000
#define LMX2820_R73 0x0000
#define LMX2820_R74 0x0000
#define LMX2820_R75 0x0000
#define LMX2820_R76 0x0000
#define LMX2820_R77 0x0608
#define LMX2820_R78 0x0002
#define LMX2820_R79 0x0114
最终的PLL输出频谱测试结果如下:
这是宽带测试结果:

这是窄带测试结果:

此时频谱仪RBW为325Hz,PLL的参考时钟源为该设备的100M output。很明显:在offset 正负150KHz以内,相位噪声约为-75dBc/Hz,这与仿真以及手册所提供的数据严重不符。

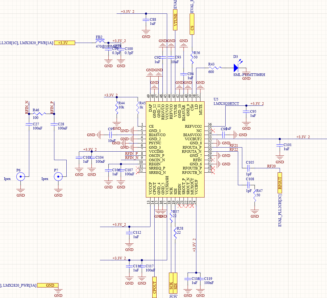
希望您能够帮助我看看是哪里除了问题,我个人怀疑是VCO校准的问题,可能是寄存器配置存在问题。我的LMX2820的原理图如下所示:

万分感谢!祝好。

