This thread has been locked.

If you have a related question, please click the "Ask a related question" button in the top right corner. The newly created question will be automatically linked to this question.

LMK04828: Status_LD1输出为高,代表PLL1已经锁定,但是无法测到时钟输出端的输出时钟,麻烦给指导一下哪里出了问题。

Part Number: LMK04828


您好:

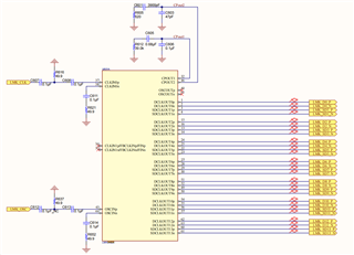
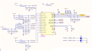
1.原理图如下:



2.TICS Pro生成的寄存器配置文件如下:

[SETUP]
ADDRESS=888
CLOCK=8
DATA=4
LE=2
PART=LMK04828B
IFACE=SPI
ADDRESS_I2C=0x0

[PINS]
PINNAME00=SYNC
LOCATION00=7
PINVALUE00=False
PINNAME01=CLKin0_SEL
LOCATION01=0
PINVALUE01=False
PINNAME02=RESET
LOCATION02=3
PINVALUE02=False

[MODES]
NAME00=R0 (INIT)
VALUE00=144
NAME01=R0
VALUE01=16
NAME02=R2
VALUE02=512
NAME03=R3
VALUE03=774
NAME04=R4
VALUE04=1232
NAME05=R5
VALUE05=1371
NAME06=R6
VALUE06=1536
NAME07=R12
VALUE07=3153
NAME08=R13
VALUE08=3332
NAME09=R256
VALUE09=65561
NAME10=R257
VALUE10=65877
NAME11=R258
VALUE11=66133
NAME12=R259
VALUE12=66304
NAME13=R260
VALUE13=66594
NAME14=R261
VALUE14=66816
NAME15=R262
VALUE15=67313
NAME16=R263
VALUE16=67345
NAME17=R264
VALUE17=67599
NAME18=R265
VALUE18=67925
NAME19=R266
VALUE19=68181
NAME20=R267
VALUE20=68352
NAME21=R268
VALUE21=68610
NAME22=R269
VALUE22=68864
NAME23=R270
VALUE23=69368
NAME24=R271
VALUE24=69393
NAME25=R272
VALUE25=69640
NAME26=R273
VALUE26=69973
NAME27=R274
VALUE27=70229
NAME28=R275
VALUE28=70400
NAME29=R276
VALUE29=70658
NAME30=R277
VALUE30=70912
NAME31=R278
VALUE31=71417
NAME32=R279
VALUE32=71424
NAME33=R280
VALUE33=71704
NAME34=R281
VALUE34=72021
NAME35=R282
VALUE35=72277
NAME36=R283
VALUE36=72448
NAME37=R284
VALUE37=72706
NAME38=R285
VALUE38=72960
NAME39=R286
VALUE39=73465
NAME40=R287
VALUE40=73523
NAME41=R288
VALUE41=73748
NAME42=R289
VALUE42=74069
NAME43=R290
VALUE43=74325
NAME44=R291
VALUE44=74496
NAME45=R292
VALUE45=74754
NAME46=R293
VALUE46=75008
NAME47=R294
VALUE47=75513
NAME48=R295
VALUE48=75521
NAME49=R296
VALUE49=75784
NAME50=R297
VALUE50=76117
NAME51=R298
VALUE51=76373
NAME52=R299
VALUE52=76544
NAME53=R300
VALUE53=76802
NAME54=R301
VALUE54=77056
NAME55=R302
VALUE55=77561
NAME56=R303
VALUE56=77568
NAME57=R304
VALUE57=77830
NAME58=R305
VALUE58=78165
NAME59=R306
VALUE59=78421
NAME60=R307
VALUE60=78592
NAME61=R308
VALUE61=78850
NAME62=R309
VALUE62=79104
NAME63=R310
VALUE63=79609
NAME64=R311
VALUE64=79667
NAME65=R312
VALUE65=79873
NAME66=R313
VALUE66=80128
NAME67=R314
VALUE67=80384
NAME68=R315
VALUE68=80660
NAME69=R316
VALUE69=80896
NAME70=R317
VALUE70=81160
NAME71=R318
VALUE71=81411
NAME72=R319
VALUE72=81664
NAME73=R320
VALUE73=82055
NAME74=R321
VALUE74=82176
NAME75=R322
VALUE75=82432
NAME76=R323
VALUE76=82705
NAME77=R324
VALUE77=82944
NAME78=R325
VALUE78=83327
NAME79=R326
VALUE79=83456
NAME80=R327
VALUE80=83730
NAME81=R328
VALUE81=83970
NAME82=R329
VALUE82=84290
NAME83=R330
VALUE83=84482
NAME84=R331
VALUE84=84758
NAME85=R332
VALUE85=84992
NAME86=R333
VALUE86=85248
NAME87=R334
VALUE87=85696
NAME88=R335
VALUE88=85887
NAME89=R336
VALUE89=86019
NAME90=R337
VALUE90=86274
NAME91=R338
VALUE91=86528
NAME92=R339
VALUE92=86784
NAME93=R340
VALUE93=87041
NAME94=R341
VALUE94=87296
NAME95=R342
VALUE95=87553
NAME96=R343
VALUE96=87808
NAME97=R344
VALUE97=88065
NAME98=R345
VALUE98=88320
NAME99=R346
VALUE99=88586
NAME100=R347
VALUE100=89044
NAME101=R348
VALUE101=89120
NAME102=R349
VALUE102=89344
NAME103=R350
VALUE103=89600
NAME104=R351
VALUE104=89867
NAME105=R352
VALUE105=90112
NAME106=R353
VALUE106=90369
NAME107=R354
VALUE107=90660
NAME108=R355
VALUE108=90880
NAME109=R356
VALUE109=91136
NAME110=R357
VALUE110=91404
NAME111=R369
VALUE111=94634
NAME112=R370
VALUE112=94722
NAME113=R380
VALUE113=97301
NAME114=R381
VALUE114=97587
NAME115=R358
VALUE115=91648
NAME116=R359
VALUE116=91904
NAME117=R360
VALUE117=92285
NAME118=R361
VALUE118=92505
NAME119=R362
VALUE119=92704
NAME120=R363
VALUE120=92928
NAME121=R364
VALUE121=93184
NAME122=R365
VALUE122=93440
NAME123=R366
VALUE123=93715
NAME124=R371
VALUE124=94976
NAME125=R386
VALUE125=98816
NAME126=R387
VALUE126=99072
NAME127=R388
VALUE127=99328
NAME128=R389
VALUE128=99584
NAME129=R392
VALUE129=100352
NAME130=R393
VALUE130=100608
NAME131=R394
VALUE131=100864
NAME132=R395
VALUE132=101120
NAME133=R8189
VALUE133=2096384
NAME134=R8190
VALUE134=2096640
NAME135=R8191
VALUE135=2096979

[FLEX]
bSetFeedback_CLKin1=CLKin1 (External)
bSetFeedback_DCLKout6=DCLKout6
bSetFeedback_DCLKout8=DCLKout8
bSetFeedback_SYSREFDIV=SYSREF divider
bSetJESD204B_Continuous=Continuous
bSetJESD204B_NoJESD204B_withoutSYSREFDivider=No JESD204B
bSetJESD204B_Pulser=Pulser
bSetJESD204B_Reclocked=Reclocked
bSetJESD204B_SYSREFREQ=SYSREF Request
bSetMode_Distribution=Set Distribution
bSetMode_DualLoop=Set Dual Loop
bSetMode_DualLoop0DelayCascaded=Set Dual Loop 0-Delay Cascaded
bSetMode_DualLoop0DelayNested=Set Dual Loop 0-Delay Nested
bSetMode_SingleLoop=Set Single Loop
bSetMode_SingleLoop0Delay=Set Single Loop 0-Delay
bSet_CLKin0toOff=CLKin0 Off
bSet_CLKin0toPLL1=CLKin0 drives PLL1
bSet_CLKin0toSYSREF=CLKin0 drives SYNC/SYSREF
bSet_CLKin0toSYSREF_Direct=CLKin0 drives SYNC/SYSREF direct
bSet_CLKin1_ExternalVCO=CLKin1 drives Clock Distribution (external VCO/distribution mode)
bSet_CLKin1toOff=CLKin1 Off
bSet_CLKin1toPLL1=CLKin1 drives PLL1
bSet_CLKin2_Input=CLKin2 for PLL1
CLKDIST_FREQ=2500
CLKin0_FREQ=10
CLKin1_FREQ=10
CLKin2_FREQ=10
CLKin_SEL_AUTOPINSMODE=1
EXT_VCXO_FREQ=100
FB_MUX_FREQ=104.1666666667
FB_MUX_FREQ_MHz=MHz
OSC_FREQ=10
OSCin_SOURCE=1
PLL1_PD_FREQ=10
PLL2_PD_FREQ=10
PLL_FBMUX_WARNING_TEXT=0
PLL_WARNING_TEXT=0
WARNING_TEXT_PLL1=
WARNING_TEXT_PLL2=
CLKDIST_FREQ=2500
SYSREF_FREQ=125
bSYNC_DIS_AllOff=All Off
bSYNC_DIS_AllOn=All On
bSYNC_DIS_CLKOff=DC Off
bSYNC_DIS_CLKOn=DC On
bSYNC_Dividers=SYNC Dividers
bSendPulsesViaSPI=Send Pulses
bSetJESD204B_Continuous=Continuous
bSetJESD204B_Pulser=Pulser
bSetJESD204B_RX_CLKin0=CLKin0
bSetJESD204B_RX_CLKin0_Bypass=CLKin0 Bypass
bSetJESD204B_RX_Ignore=None
bSetJESD204B_RX_Reclocked=Re-Clocked
bSetJESD204B_RX_SYNCpin=SYNC Pin
bSetJESD204B_SYSREFREQ=SYSREF Request
bSetSYNC_Normal=Normal
stSYSREF_CLR_WARNING=
CLKDIST_FREQ=2500
CLKout0_FREQ=100
CLKout10_FREQ=312.5
CLKout11_FREQ=312.5
CLKout12_FREQ=416.6666666667
CLKout13_FREQ=416.6666666667
CLKout1_FREQ=125
CLKout2_FREQ=166.6666666667
CLKout3_FREQ=166.6666666667
CLKout4_FREQ=312.5
CLKout5_FREQ=312.5
CLKout6_FREQ=104.1666666667
CLKout7_FREQ=104.1666666667
CLKout8_FREQ=125
CLKout9_FREQ=125
OSCout_FREQ=10
SDCLKout11_TEXT=0
SDCLKout13_TEXT=0
SDCLKout1_TEXT=0
SDCLKout3_TEXT=0
SDCLKout5_TEXT=0
SDCLKout7_TEXT=0
SDCLKout9_TEXT=0
SYSREF_FREQ=125
Additional_Icc_FMT=0
HW0_FMT=0
HW0_Hide_FMT=Incorrect output termination
HW10_FMT=0
HW10_Hide_FMT=Incorrect output termination
HW11_FMT=0
HW11_Hide_FMT=Incorrect output termination
HW12_FMT=0
HW12_Hide_FMT=Incorrect output termination
HW13_FMT=0
HW13_Hide_FMT=Incorrect output termination
HW1_FMT=0
HW1_Hide_FMT=Incorrect output termination
HW2_FMT=0
HW2_Hide_FMT=Incorrect output termination
HW3_FMT=0
HW3_Hide_FMT=Incorrect output termination
HW4_FMT=0
HW4_Hide_FMT=Incorrect output termination
HW5_FMT=0
HW5_Hide_FMT=Incorrect output termination
HW6_FMT=0
HW6_Hide_FMT=Incorrect output termination
HW7_FMT=0
HW7_Hide_FMT=Incorrect output termination
HW8_FMT=0
HW8_Hide_FMT=Incorrect output termination
HW9_FMT=0
HW9_Hide_FMT=Incorrect output termination
OSCoutHW_FMT=0
OSCoutHW_Hide_FMT=Incorrect output termination
PLL1_LED_FMT=0
PLL2_LED_FMT=0
VCXO_FMT=0
bButtonCC2=Calculate
lb_Additional_Icc=0
lb_External_Power=0
lb_IC_Power=0
lb_PLL1_LED=4.3
lb_PLL2_LED=4.3
lb_Total_Current=0
lb_Total_Power=0
lb_VCXO=45