Hi Team,
现两款新产品用CDCI6214,都出现了类似问题,
新产品M:
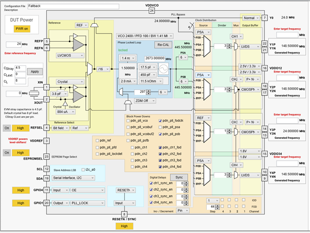
CDCI6214为EPROM1启动,参数见MU配置.
芯片存在个体差异: 不良个体占1%.
问题芯片启动后,PLL会unlock失锁.
板卡i2c飞线到EVM开发板,读取配置数据,读取正常,异常如下:
1. TICS Pro,同样配置重新烧录到EEPROM0/1, 断电重启依旧unlock.
2. unlock机器, 绝大部分用i2c设置RECAL,即可PLL-lock.
3. unlock机器, 我们保留1片特殊个体, 它需要 i2c操作内部电源开关寄存器 和 RECAL 多次才能PLL-lock.
新产品M,因设计上没有外部IO操作机制,unlock后无法对寄存器操作.
新产品A:
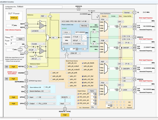
CDCI6214为在线配置,参数见AU配置.
芯片存在共性问题:
每次启动PLL有概率unlock失锁.
unlock后,飞线到EVM开发板,读取配置数据,读取正常,异常如下:
1. i2c操作内部电源开关寄存器 和 RECAL unlock.不管用
2. TICS Pro重新配置芯片 unlock.不管用
3. 通过rst管脚复位, TICS Pro配置芯片 unlock.不管用(rst管脚功能为RESETN和SYNC都用过).
4. 配置CH1~4 为时钟源REF,直出. CH1~4都无输出
新产品A,除了断电重启整机外,暂时没其他方法恢复正常.
在软件方面, 在线配置的软件流程图见附件 "配置流程图"
在官方软件中,新版本TICS Pro软件 1.7.0
关于CH1~4的用于标识电压2.5/3.3或者1.8的 ch*_1p8vde 寄存器,在UI界面上被删除. 请问新批次的芯片是否对这部分功能有所升级?

MU配置

AU配置

配置流程



