This thread has been locked.

If you have a related question, please click the "Ask a related question" button in the top right corner. The newly created question will be automatically linked to this question.

ADS7853 上电发烫,初始状态,没有进行内部配置,请帮检查一下电路问题

Other Parts Discussed in Thread: ADS7853

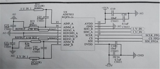
新做的ADS7853电路,如图:

REFBUF:为2.5V电压

R32和R37为前端放大器输出的模拟量,基准电平为2.5V

目前没有进行程序配置,上电很烫温度可能到70°左右。

断掉R37,R32,R34,R35;症状没有得到缓解。

请帮忙分析一下?