Part Number: ADC3664


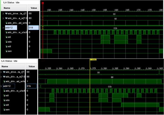
您好!在用fpga对adc3664进行spi通信配置的时候,数据写入并没有什么问题,但当读取数据进行验证的时候,我发现手册中提到在sdio传输数据段的时候是芯片下降沿切换数据,上升沿读取该数据,但是当用ila抓取数据的时候,发现sdio在上升沿切换,而且按照上升沿读数据读取的数据并不对,反而在下降沿读取时这个数据才是我写入的值。如图二,上半部分为配置0x1b寄存器的时候,写入0x90的spi时序,下半部分为读数据的spi时序,在读取时按照上升沿读取数据时读取的数据和写入的值不符,反而在下降沿读取时得到写入的值0x90,现在就是想要确认一下,我的判断是否正确。