Part Number: ADS1232


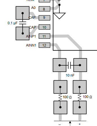
工作情况:DVDD=3.3V;AVDD=5V;REF=5V; 数据率80SPS;内部晶振; GAIN=1; 采集直流信号,电阻分压跟随器后单端转差分输入到ads1232。
请问一下,使用上面电路:
1、当9-10引脚加入0.1uf X7R电容后,采集值会减小。这个是否正常?
比如实际输入信号386816x (uV);
不加0.1uf电容,采集值是386825x (uV);
加入0.1uf电容, 采集值是386770x( uV);
两者有约500uV的差值。
2、当加入0.1uf电容时,上电工作后,采集值不会马上稳定,而是逐渐上升,比如上电从386 762x uV,约2分钟后上升到386 768x uV,然后相对稳定下来。请问这个正常吗?