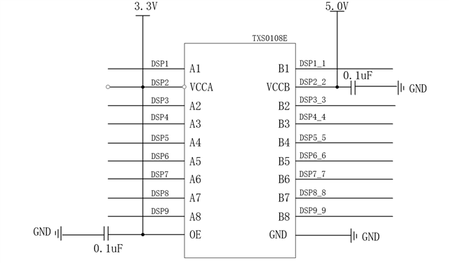
Part Number: TXS0108E
I am outputting high and low levels from the GPIO pins of a DSP28335. The high and low level toggle time is 10000 us. The TXS0108E is used to convert the 3.3V output from the DSP to 5V. However, when measuring the waveform at the B side with an oscilloscope, the signals on several pins are incorrect—they are not square waves but resemble sine waves.A1-A9 and B1-B9 have all been *** with 50kΩ pull-up resistors.The oscilloscope waveform is as follows:




输入波形:
另外,我还试过不加上拉电阻,情况依旧没有改善。