This thread has been locked.

If you have a related question, please click the "Ask a related question" button in the top right corner. The newly created question will be automatically linked to this question.

ADS1248使用问题

Other Parts Discussed in Thread: ADS1248

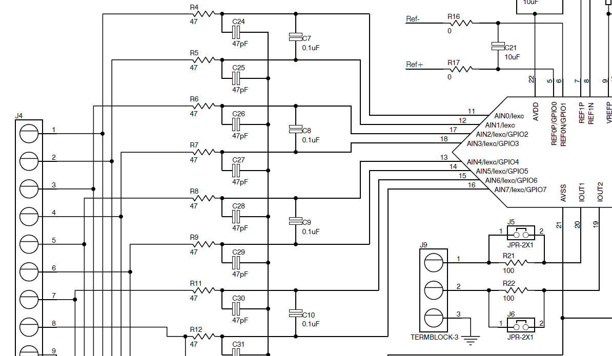
请问一下,ADS1248评估板是针对二线制的吗?

如果做成四路温度测量的话,是否可以通过寄存器配置让IDAC0和IDAC1对AIN0、AIN1完成采集转化,然后再轮流依次对AIN2、AIN3,AIN4、AIN5,AIN6、AIN7这三组进行同样的操作来完成四路温度测试呢?

谢谢!

  • ADS1248评估可以支持两线/三线RTD的测量应用。如果需要测量多路的RTD信号,也需要同时考虑如何分路或者分时来激励不同通道。ADC输入端口的采样很方便地通过寄存器配置是实现输入信号切换、采样。

  • 也许是我没说清楚。

    ------------------------------------------

    首先,谢谢你@Hawk Tong的回复。

    让我落实了分时来激励4组通道的想法。

    假如我按照评估板上,原理来作图的话,三线制(AIN0、AIN1为例)我应该如何接可以实现和R21或者R22的差分电压呢?(我希望测到的是PT100和100R的差分电压)

    谢谢!