This thread has been locked.

If you have a related question, please click the "Ask a related question" button in the top right corner. The newly created question will be automatically linked to this question.

ADS1292 能收到测试方波信号 但是心电信号测量不到



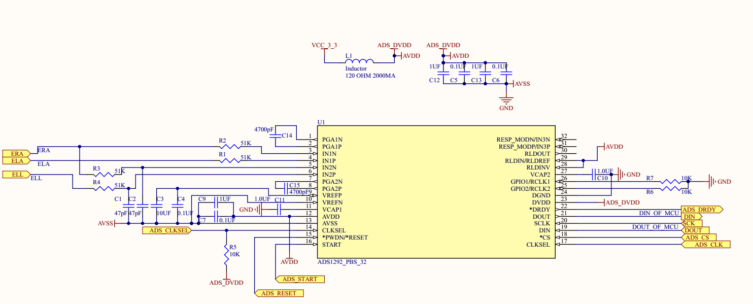
以上是我的电路图。

读取寄存器和测试信号都没有问题,PGA1电压为700mv左右,PGA2电压为20mv左右。

可以接收到测试方波信号。

但是在空载的时候收到的数据不为0.

接上导联再看示波器

一直百思不得其解,不知是硬件上有什么地方出错了吗?我是按照官方评估板上面来 的,把需要删除和替换的部分都弄了。

希望ti大神能救救我。。。如果还需要知道什么数据可以通知我测量一下。