This thread has been locked.

If you have a related question, please click the "Ask a related question" button in the top right corner. The newly created question will be automatically linked to this question.

ADS1298为什么只有第1个通道波形质量好?

Other Parts Discussed in Thread: ADS1298, ADS1299

1. 使用银氯电极片测试人体。波形不做任何滤波(为了看这颗芯片究竟能做到什么程度)。

2. 软件配置

   SOF_RST_ADS1298();  //返回数据是0xE0
                
  
  ADS1298_WRITE_REG_BYTE(0x1,0x23);//low power 2kSPS,osc output
  
  
 // ADS1298_WRITE_REG_BYTE(0x2,00); //config test sig
  ADS1298_WRITE_REG_BYTE(0x3,0xce);//in ref,2.4V,RLD open,RLDREF=AGND,RLD BUF ON, RLD sense on,RLD connect
  ADS1298_WRITE_REG_BYTE(0x4,0xa3);//DC ,6nA.pull-up,10%
 
  for(i=0;i<8;i++)
  {
  ADS1298_WRITE_REG_BYTE(0x5+i,0x00);//normal electrode,gain=4,normal op  //0x00=6倍 0x20=2倍 0x40=4倍 0x50=8倍
  }
 
  ADS1298_WRITE_REG_BYTE(0x0d,0x3);//R L F接RLD
  ADS1298_WRITE_REG_BYTE(0x0e,0x3);//同上
  ADS1298_WRITE_REG_BYTE(0x0f,0xff);//enable LOFF_SENSP
  ADS1298_WRITE_REG_BYTE(0x10,0xff);//enable LOFF_SENSN
 
  ADS1298_WRITE_REG_BYTE(0x18,0x08);//1P,pwr on
  ADS1298_WRITE_REG_BYTE(0x19,0xd1);//1N,2P,pwr on
 
  EN_ADS_READC();//使能连续读
  START_ADS_CONV(); //开始转换
  ADS1298_START_EN();//硬件开始转换
  SPI_2_SDCARD();//SPI改为TYPE1型

3. 现象如下图

采样频率越高,波形质量越差

而且第1个通道波形质量远高于其它通道(这个是最要命的事情,请TI的工程师帮忙解答一下。我不能滤波把问题掩盖了去糊弄客户)

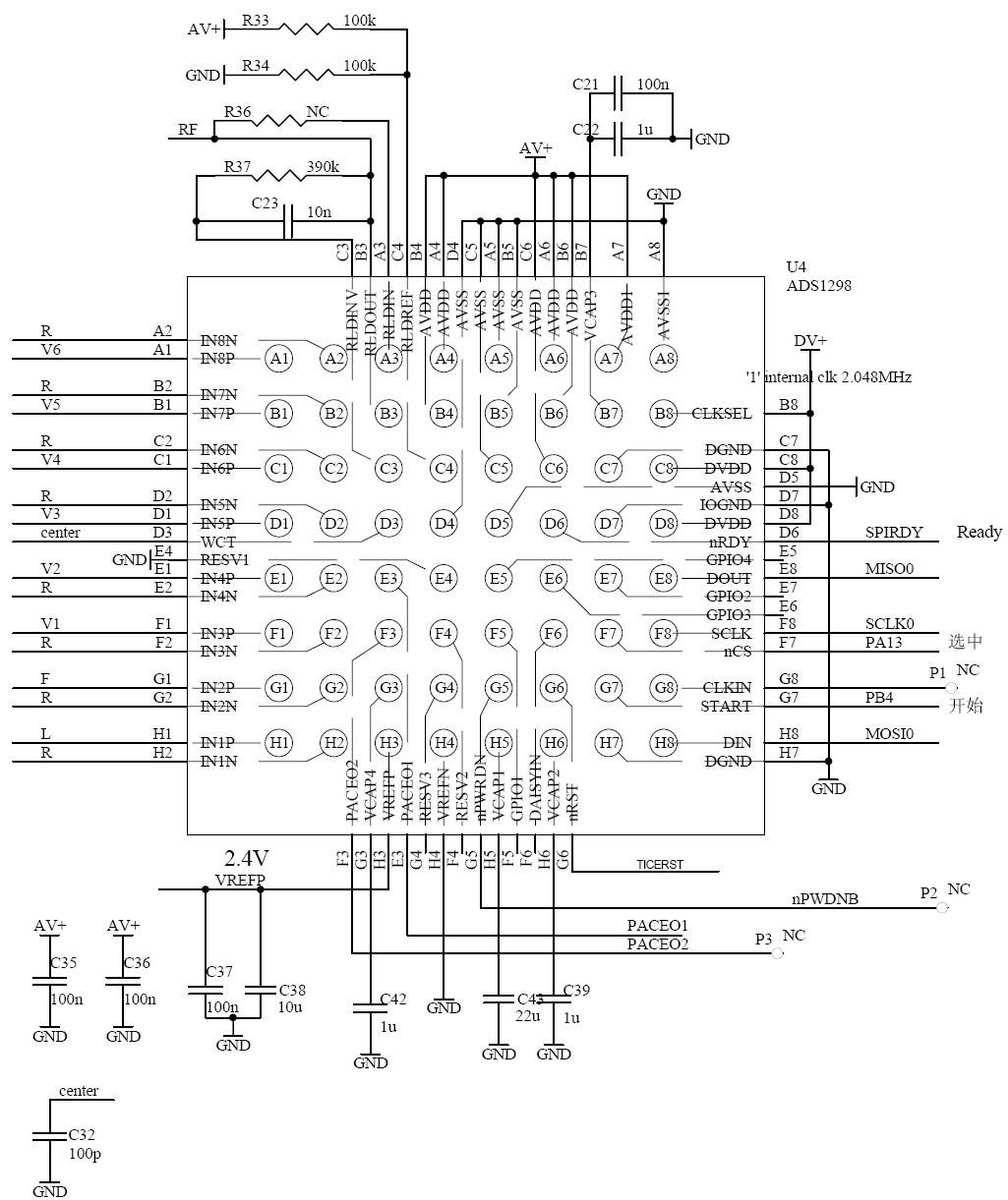
4. 硬件配置如下图

 差分输入,所有负输入端接右手。