This thread has been locked.

If you have a related question, please click the "Ask a related question" button in the top right corner. The newly created question will be automatically linked to this question.

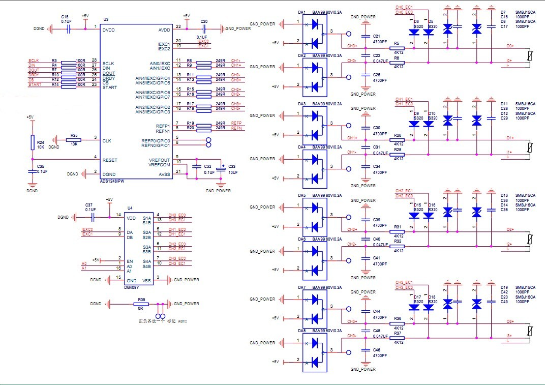
ADS1248使用RTD PT100測試不精準issue.

Other Parts Discussed in Thread: ADS1248

你好, 附件是我的線路圖.

前端搭配PT100使用, 但是一批板子裡面會有部分的測試出來誤差偏大.

更換IC之後又可以了, 請問是不是有線路上的建議??

或是有甚麼其他注意的地方? 謝謝!