This thread has been locked.

If you have a related question, please click the "Ask a related question" button in the top right corner. The newly created question will be automatically linked to this question.

ADS1299需要low / high pass filter嗎?

Other Parts Discussed in Thread: ADS1299

因為我是EEG的新手,所以有些問題想請問一下,謝謝。

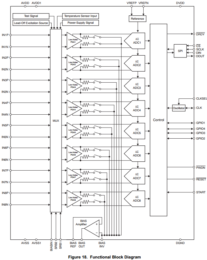
1. 一般測EEG時都要low / high pass filter,請問ads1299是怎麼做到的? 下圖沒有看到low / high pass filter

2. 下圖中的BIAS Amplifier可以當作右腳驅動嗎? 如果不行,那該怎麼做呢?有參考文件嗎?