Hi Ti
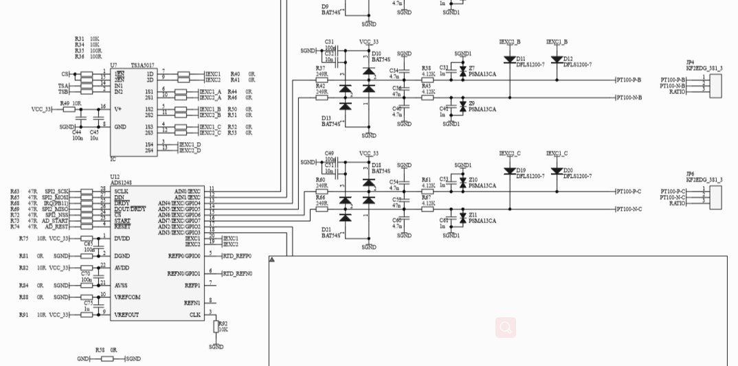
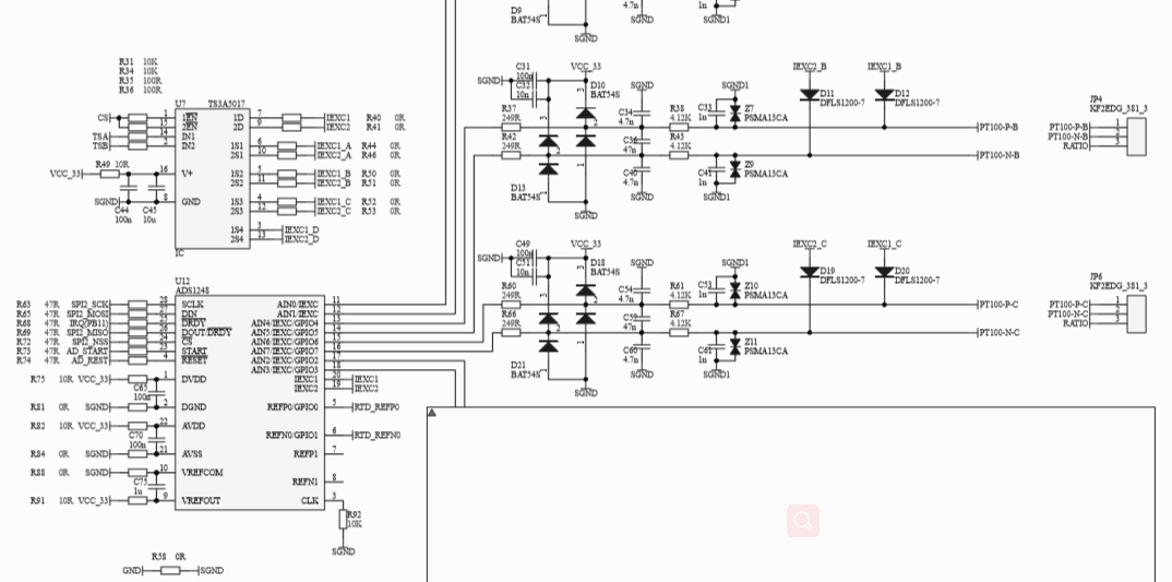
在调试ADS1248时,发现OA寄存器写不进去,原理图如下,请帮忙分析一下什么原因?感谢支持
This thread has been locked.
If you have a related question, please click the "Ask a related question" button in the top right corner. The newly created question will be automatically linked to this question.