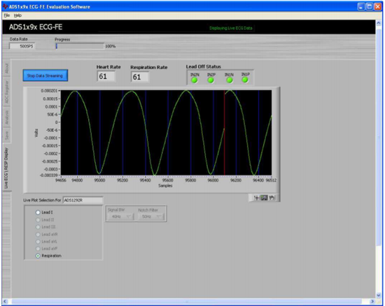
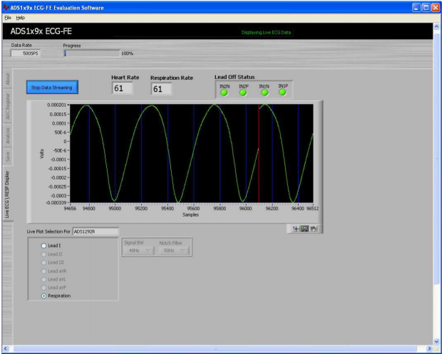
从TI申请了一个ADS1292R模拟前端,见下图。利用ADS1292R既可以测ECG,又可以测呼吸(RESP),根据ADS1x9xECG-FE的用户指导以及ADS1292R的datasheet可知,最少只需要两导联线就可以测出心电信号以及呼吸信号。
可是,我根据ADS1x9xECG-FE的用户指导中的接法连接电极片到人体上,心电信号能看到一点,但是噪音很大很大,呼吸信号只有在用力深呼吸的时候才大约能看到呼吸信号。接法为下图,
我的接法为:ERA接到右锁骨下方,ELA连接到左锁骨下方,ELL接到左肋骨(从下往上第二个),ERL接到右肋骨(从下往上第二个)
请问是不是我的接法不对?或者能否给我推荐一个接法,具体是每个电极片接到人体的哪个位置?
