Hi ALL
1:SN74AVCH8T245 的ESD标准从Datasheet 7.2节可以查到其HBM标准为+-8KV,比之前的 hc244或者HC245等芯片2kV的ESD标准高很多,这是此芯片特有特性吗?如果此芯片用于JTAG,有推荐的TI ESD器件吗?
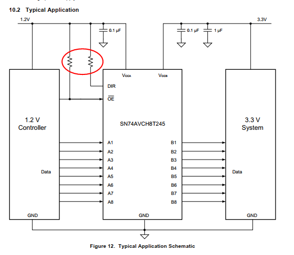
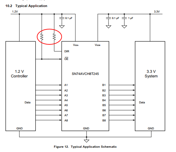
2:SN74AVCH8T245 的pin 2引脚DIR Datasheet要求其上拉至VCCA,其上拉电阻取值是多少?可以直接通过0R上拉吗?
3:SN74AVCH8T245 工作在VCCA=3.3V VCCB=1.5V 数据速率30Mbps 8端口同时使用,方向固定由A到B,其静态和动态的总工作电流或者功耗是多少?我们需求根据此参数评估电源树设计。确定 sn74avch8t245.pdf
