If you have a related question, please click the "Ask a related question" button in the top right corner. The newly created question will be automatically linked to this question.
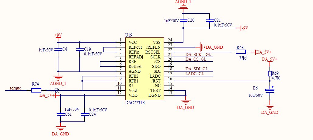
您好,上电时序正确吗? 按照datasheet中的要求,VSS先上电,其次VDD,最后VCC.
Supply sequence is important in establishing the correct startup of the DAC. The following supply sequence must be
followed: VSS (device substrate) first, then VDD followed by VCC. In addition, each supply must reach the values specified
in the Electrical Characteristics table (see page 3) within 100ms of its ramp start.