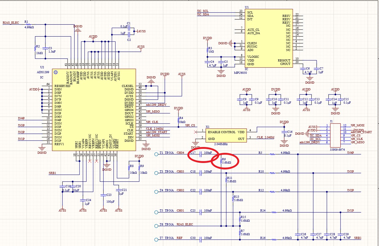
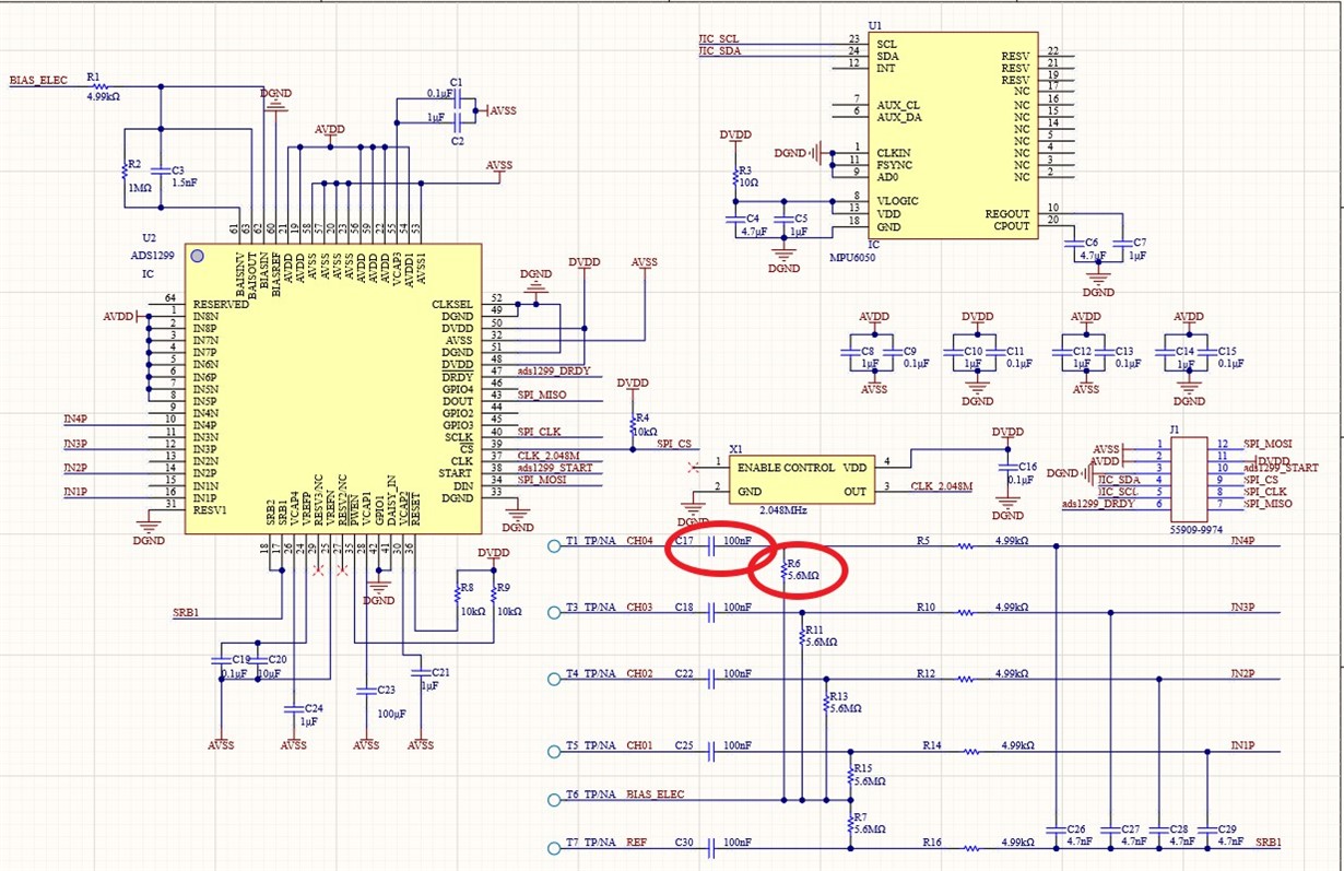
请教一下 ,我在使用ads1299-4的过程中,发现第四通道有很大的直流偏量,而且会随着时间慢慢漂移,但是其他3个通道都是正常的信号,很稳定。去掉如图标记的C17和R6(把C17短接)就是正常的,其他设计都是按照官方的,只是前端滤波加了一个AC耦合,请教一下这个会是什么原因
This thread has been locked.
If you have a related question, please click the "Ask a related question" button in the top right corner. The newly created question will be automatically linked to this question.
请教一下 ,我在使用ads1299-4的过程中,发现第四通道有很大的直流偏量,而且会随着时间慢慢漂移,但是其他3个通道都是正常的信号,很稳定。去掉如图标记的C17和R6(把C17短接)就是正常的,其他设计都是按照官方的,只是前端滤波加了一个AC耦合,请教一下这个会是什么原因