我使用ADS122C04传输采集的压力值
我使用的单片机是STM32F103RCT系列的
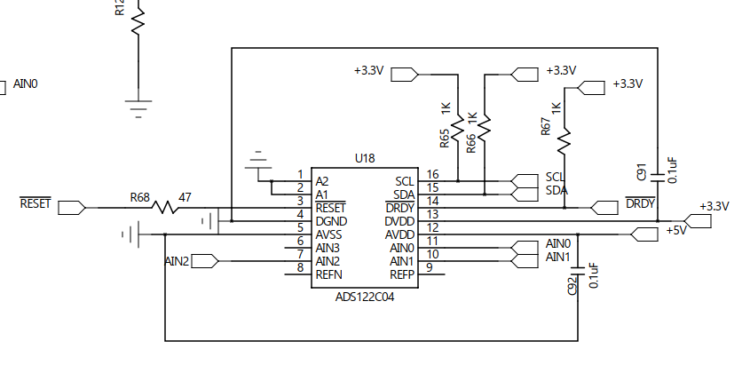
ad电路连接如下图
我采集单通道的数据(AIN0)
寄存器配置如下
然后进行数据传输,读取数据程序如下
程序是按照数据手册给的时序写的
但是,进行串口调试的时候,显示不了数据
我把DRDY的判断给去了之后(while(DRDY!=0);这个判断)
串口显示数据但是是满量程的数据 2^24=16777216
程序运行的时候,就发现DRDY不能为0
不知道为什么会出现这种情况?
This thread has been locked.
If you have a related question, please click the "Ask a related question" button in the top right corner. The newly created question will be automatically linked to this question.
我使用ADS122C04传输采集的压力值
我使用的单片机是STM32F103RCT系列的
ad电路连接如下图
我采集单通道的数据(AIN0)
寄存器配置如下
然后进行数据传输,读取数据程序如下
程序是按照数据手册给的时序写的
但是,进行串口调试的时候,显示不了数据
我把DRDY的判断给去了之后(while(DRDY!=0);这个判断)
串口显示数据但是是满量程的数据 2^24=16777216
程序运行的时候,就发现DRDY不能为0
不知道为什么会出现这种情况?